Skip to main content
Renesas Electronics Corporation
Alternative(s) Available
NRND - No Recommended Replacements Available - NRND
  • Notes:The ISL8272M is not recommended for new designs and has no alternative product available.

Features

  • Complete digital switch mode power supply
  • Wide input voltage range: 4.5V to 14V
  • Programmable output voltage range: 0.6V to 5V
  • PMBus compliant communication interface
  • Programmable VOUT, margining, UV/OV, UC/OC, UT/OT, soft-start/stop, sequencing and external synchronization
  • Monitor of VIN, VOUT, IOUT, temperature, duty cycle, switching frequency, power-good, and faults
  • Fast response ChargeMode control architecture
  • Multiphase current sharing with up to four modules
  • ±1.0% VOUT accuracy over line, load, and temperature
  • Internal nonvolatile memory and fault logging
  • Thermally enhanced HDA package

Description

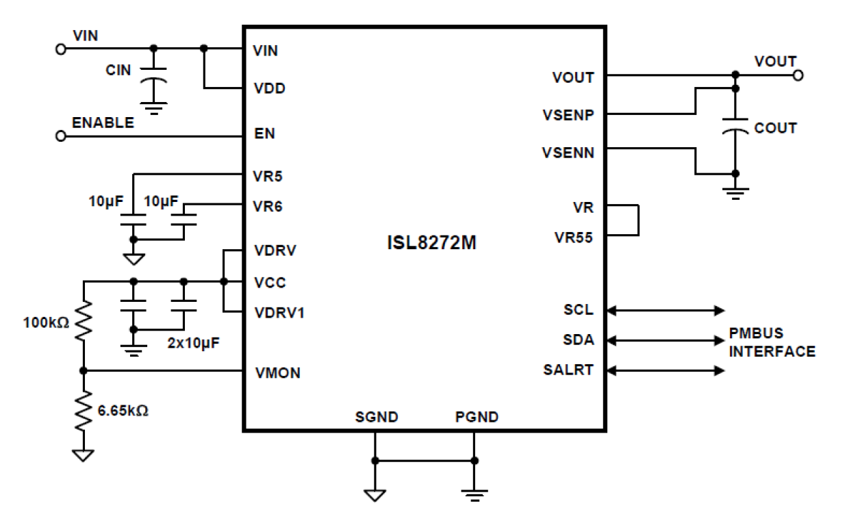
The ISL8272M is a 50A step-down PMBus compliant digital power module. Integrated in the module is a high performance digital PWM controller, dual-phase power MOSFETs, inductors, and the passives. This high efficiency power module is capable of delivering 50A without the need for airflow and heatsinks. The ISL8272M can be placed in a current sharing configuration with up to four modules in parallel to deliver 200A continuous current. The ISL8272M operates with the ChargeMode™ control architecture, which responds to a transient load within a single switching cycle. The ISL8272M comes with operating in a pin strap mode; output voltage, switching frequency device, SMBus address, input UVLO, soft-start/stop and current sharing can be programmed through external resistors. More configuration such as fault limits, fault response, margining, and sequencing can be easily programmed using the PMBus interface. PMBus can be used to monitor voltages, currents, temperatures, and fault status. The ISL8272M is supported by the PowerNavigator™ software, a graphical user interface (GUI) that can be used to configure modules to a desired solution. The ISL8272M is built in a compact (18mmx23mmx7. 5mm) and low profile overmolded HDA package, suitable for automated assembly by standard surface mount equipment.

Applied Filters: