Applied Filters:
Evaluation Boards & Kits
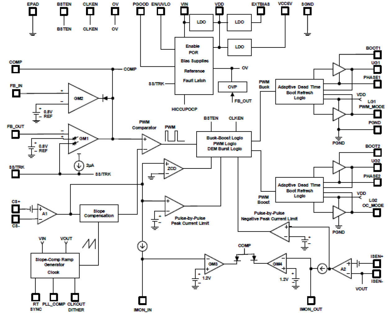
80V Synchronous Buck-Boost Controller Evaluation Board with 9V to 80V Vin range and 12V 10A Output
The ISL81801EVAL1Z evaluation board features the ISL81801, an 80V bidirectional synchronous buck-boost controller with constant voltage/constant current output. A programmable switching frequency ranging from 100kHz to 600kHz helps to optimize inductor size while the strong gate driver enables... Read More
Test This Board Remotely
80V Synchronous Buck-Boost Controller Evaluation Board with 32V to 80V Vin range and 48V 5A Output
The ISL81801EVAL2Z evaluation board features the ISL81801, an 80V bidirectional synchronous buck-boost controller with constant voltage/constant current output. A programmable switching frequency ranging from 100kHz to 600kHz helps to optimize inductor size while the strong gate driver enables... Read More
Demonstration Board & Kits
Parallelable 80V Sync Buck-Boost Controller Evaluation Board with 32V to 80V Vin range and 48V 10A Output
The ISL81801DEMO1Z demonstration board features the ISL81801, an 80V high voltage synchronous buck-boost controller that offers external soft-start, independent enable functions, and integrates UV/OV/OC/OT protections. A programmable switching frequency ranging from 100kHz to 600kHz helps to... Read More
Smart Solar Battery Charger Demonstration Board
The US011-SOLCHRGEV1Z Smart Solar Battery Charger demonstration board uses the ISL81801 buck-boost converter and RA2L1 32-bit MCU to convert energy from a solar panel (user-provided) to charge a lead-acid battery with Maximum Power Point Tracking (MPPT).



