Features
- 2.7 to 5.5V input voltage range
- 5A continuous; 8A pulse output current operation
- 2MHz default switching frequency
- 100ns guaranteed phase minimum on-time for wide output regulation
- Adjustable switching frequency from 500kHz to 4MHz
- External synchronization from 1MHz to 4MHz
- Optional PFM mode for light-load efficiency improvement
- Very low ON-resistance HS/LS switches: 35mΩ/11mΩ
- Internal 1ms or adjustable external soft-start
- Soft-stop output discharge during disable
- OTP, OCP, output OVP, and input UVLO protections
- 1% reference accuracy over-temperature
- Up to 95% efficiency AEC-Q100 qualified
Description
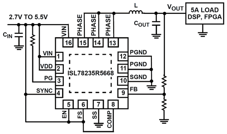
The ISL78235R5668 is a highly efficient, monolithic, synchronous step-down DC/DC converter that can deliver 5A continuous and up to 8A pulsed output current from a 2. 7V to 5. 5V input supply. The device uses peak current mode control architecture to achieve very low duty cycle operation at high frequency with fast transient response and excellent loop stability. The ISL78235R5668 integrates a low ON-resistance P-channel (35mΩ, typical) high-side FET and N-channel (11mΩ, typical) low-side FET to maximize efficiency and minimize external component count. The 100% duty cycle operation allows less than 250mV dropout voltage at 5A output current. The operating frequency of the Pulse-Width Modulator (PWM) is adjustable from 500kHz to 4MHz. The default switching frequency of 2MHz is set by connecting the FS pin high. The ISL78235R5668 can be configured for discontinuous (PFM) or forced continuous (PWM) operation at light load. Forced continuous operation reduces noise and RF interference, while discontinuous mode provides higher efficiency by reducing switching losses at light loads. Fault protection is provided by internal hiccup mode current limiting during short-circuit and overcurrent conditions. The device also integrates output overvoltage and over-temperature protections. A power-good monitor indicates when the output is in regulation. The ISL78235R5668 offers a 1ms Power-Good (PG) timer at power-up. When in shutdown, the ISL78235R5668 discharges the output capacitor through an internal 100Ω soft-stop switch. Other features include internal fixed or adjustable soft-start and internal/external compensation. The ISL78235R5668 is available in a 3mmx3mm 16 Ld Thin Quad Flat No-lead (TQFN) Pb-free package with an exposed pad for improved thermal performance. The ISL78235R5668 is rated to operate across the temperature range of -40°C to +85°C.
Parameters
| Attributes | Value |
|---|---|
| Topology [Rail 1] | Buck |
| Outputs (#) | 1 |
| Input Voltage (Min) [Rail 1] (V) | 2.7 |
| Input Voltage (Max) [Rail 1] (V) | 5.5 - 5.5 |
| Output Voltage (Min) [Rail 1] (V) | 0.6 |
| Output Voltage (Max) [Rail 1] (V) | 5.5 |
| Output Current (Max) [Rail 1] (A) | 5 |
| Switching Frequency Range (Typical) (kHz) | 500 - 4000 |
| Control Type | Current Mode |
| Peak Efficiency (%) | 95 |
| IQ [Rail 1] (µA) | 47 |
| SYNCH Capability | Yes |
| Qualification Level | Automotive |
| Temp. Range (°C) | -40 to +85°C |
| Simulation Model Available | N/A |
Package Options
| Pkg. Type | Pkg. Dimensions (mm) | Lead Count (#) | Pitch (mm) |
|---|---|---|---|
| TQFN | 3.0 x 3.0 x 0.75 | 16 | 0.5 |
Application Block Diagrams
| Power Sequencer & I/O Expander for Printers (PPC/MFP) An MCU-based power sequencer and I/O expander for high-performance PPC/MFP printers. |
Applied Filters: