Features
- 900kSPS throughput rate with PGA bypass 480ksps with the PGA enable all with no data latency
- Excellent linearity: ±0.5 LSB DNL, ±1.5 LSB INL
- No missing codes
- Low noise: 83dB SNR
- 5V AVCC analog supply
- Separate 2.2V to 3.6V digital I/O supply
- Low power: 90mW at 900kSPS
- AVCC = 5V, DVCC = 2.5V
- Power-down mode with 115µW power consumption
- High-speed SPI-compatible serial I/O
- Full military temperature range operation
- TA = -55 °C to +125 °C
- Radiation acceptance testing
- LDR (0.01rad(Si)/s): 75krad(Si)
- SEE hardness (see SEE report for details)
- No SEB/SEL LETTH (AVCC = 6.3V): 86MeV•cm2/mg
- No SEFIs at LET 86MeV•cm2/mg
- Qualified to Renesas Rad Hard QML-V Equivalent Screening and QCI flow (R34TB0001EU)
- All screening and QCI is in accordance with MIL-PRF- 38535L Class-V
Description
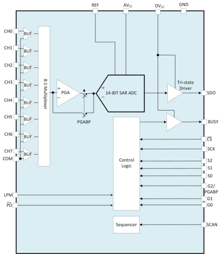
The ISL73148SEH is a radiation hardened, high-precision, 8-Channel 14-Bit 900/480ksps SAR analog-to-digital converter (ADC) with an integrated Programmable Gain Amplifier (PGA) that features an SNR of 83dBFS and dissipates only 90mW when operating from a 5V supply.
The product features 900kSPS throughput with no data latency and features excellent linearity and dynamic accuracy. The ISL73148SEH provides a high-speed SPI-compatible serial interface that supports logic ranging from 2.2V to 3.6V using a separate digital I/O supply pin. The integrated PGA has discrete gain steps of 1, 2, 3, 4, 6, 8, 12, and 16 and is controlled by external pin configurations.
The ISL73148SEH provides a separate power-down pin that reduces power dissipation to 115µW. The analog input signal range is determined by an external reference.
The ISL73148SEH operates across the military temperature range from -55 °C to +125 °C and is available in a 14Ld hermetically sealed Ceramic Dual Flat-Pack (CDFP) package.
Parameters
| Attributes | Value |
|---|---|
| Rating | Space |
| ADC | SAR |
| Analog Supply Voltage (V) | 4.5 - 5.5 |
| Channels (#) | 8 |
| Conversion Rate (Max) (kSPS) | 960 |
| Differential NonLinearity LSB | 0.5 |
| Integral NonLinearity LSB | 1 |
| Power Consumption (mW) | 90 |
| Resolution (bits) | 14 |
| SFDR (dBs) | 95 |
| Shutdown Mode | No |
| Temp. Range (°C) | -55 to +125°C |
| TID LDR (krad(Si)) | 75 |
| DSEE (MeV·cm2/mg) | 86 |
| Flow | RH Hermetic |
| Qualification Level | Class Ve, EM |
| Die Sale Availability? | No |
| PROTO Availability? | Yes |
Package Options
| Pkg. Type | Pkg. Dimensions (mm) | Lead Count (#) | Pitch (mm) |
|---|---|---|---|
| CFP | 18.3 x 12.7 x 0.00 | 28 | 1.3 |
Applications
- Precision signal processing in satellite payloads
- Satellite telemetry systems
- Satellite propulsion and orbit control
- Attitude control of satellites
- High-end industrial
- Down-hole drilling
Applied Filters:
Filters
Software & Tools
Sample Code
Simulation Models
Overview of the ISL73148 900KSPS, 8-Channel, SAR ADC with Integrated PGA. Highest performance rad-hard precision ADC for telemetry and sensing applications.