Skip to main content
Renesas Electronics Corporation

Features

  • Rail-to-rail differential output ADC driver
  • Low input offset: 30μV
  • Input bias current: 0.2nA
  • Excellent CMRR and PSRR: 120dB
  • Wide operating voltage range: ±4V to ±18V
  • Closed loop -3dB BW 0.3MHz (AV = 1k) to 5.5MHz (AV = 0.1)
  • Operating temperature range: -55°C to +125°C
  • Acceptance tested to 75krad(Si) (LDR) wafer-by-wafer
  • Radiation tolerance - Low dose rate (0.01rad(Si)/s): 75krad(Si) - SEB LETTH (VS = ±18V): 60MeV•cm2/mg
  • Electrically screened to DLA 5962-15246

Description

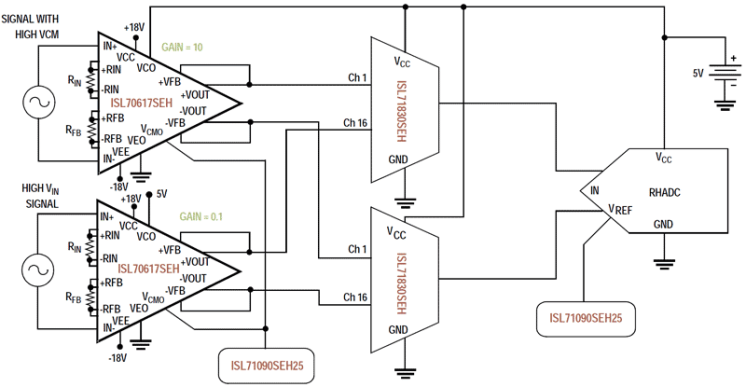
The ISL70617SEH is a high performance, differential input, differential output instrumentation amplifier designed for precision analog-to-digital applications. It can operate over a supply range of 8V (±4V) to 36V (±18V) and features a differential input voltage range up to ±30V. The output stage has rail-to-rail output drive capability optimized for differential ADC driver applications. The output stage is powered by separate supplies. This feature enables the output to be driven by the same low voltage supplies powering the ADC, thereby providing protection from high voltage signals and the low voltage digital circuits. Its versatility makes it suitable for a variety of general purpose applications. Additional features not found in other instrumentation amplifiers enable high levels of DC precision and excellent AC performance. The gain of the ISL70617SEH can be programmed from 0. 1 to 10, 000 via two external resistors, RIN and RFB. The gain accuracy is determined by the matching of RIN and RFB. The gain resistors have Kelvin sensing, which removes gain error due to PC trace resistance. The input and output stages have individual power supply pins, which enable input signals riding on a high common-mode voltage to be level shifted to a low voltage device, such as an A/D converter. The rail-to-rail output stage can be powered from the same supplies as the ADC, which preserves the ADC maximum input dynamic range and eliminates ADC input overdrive. The ISL70617SEH is offered in a 24 Ld ceramic flatpack package with an operating temperature range of -55°C to +125°C.

Parameters

AttributesValue
RatingSpace
Bandwidth (MHz)5.5
IOUT (mA)45
IS per Amp (mA)4.3
Noise VN (nV/√Hz)8.6
OutputDifferential
Offset Voltage (max)300µV
Rail-to-Rail Input/OutputNo
Slew Rate (V/µs)4
Supply Voltage (min) (V)8 - 8
Supply Voltage (max) (V)40 - 40
Temp. Range (°C)-40 to +125°C, -55 to +125°C
TID LDR (krad(Si))75
DSEE (MeV·cm2/mg)60
FlowRH Hermetic
Qualification LevelClass V, EM
Die Sale Availability?Yes
PROTO Availability?Yes

Package Options

Pkg. TypePkg. Dimensions (mm)Lead Count (#)Pitch (mm)
0.0 x 0.0 x 0.00
CFP15.2 x 10.2 x 2.29241.3
DIE

Applied Filters: