Skip to main content
Renesas Electronics Corporation

Features

  • 5V to 12V pulse amplitude
  • High current drive 3.5A
  • 6ns minimum pulse width
  • 1.5ns rise and fall times, 100pF load
  • Low skew
  • 3.3V and 5V logic compatible
  • Small QFN and TSSOP packaging
  • Low quiescent current
  • Pb-free (RoHS compliant)

Description

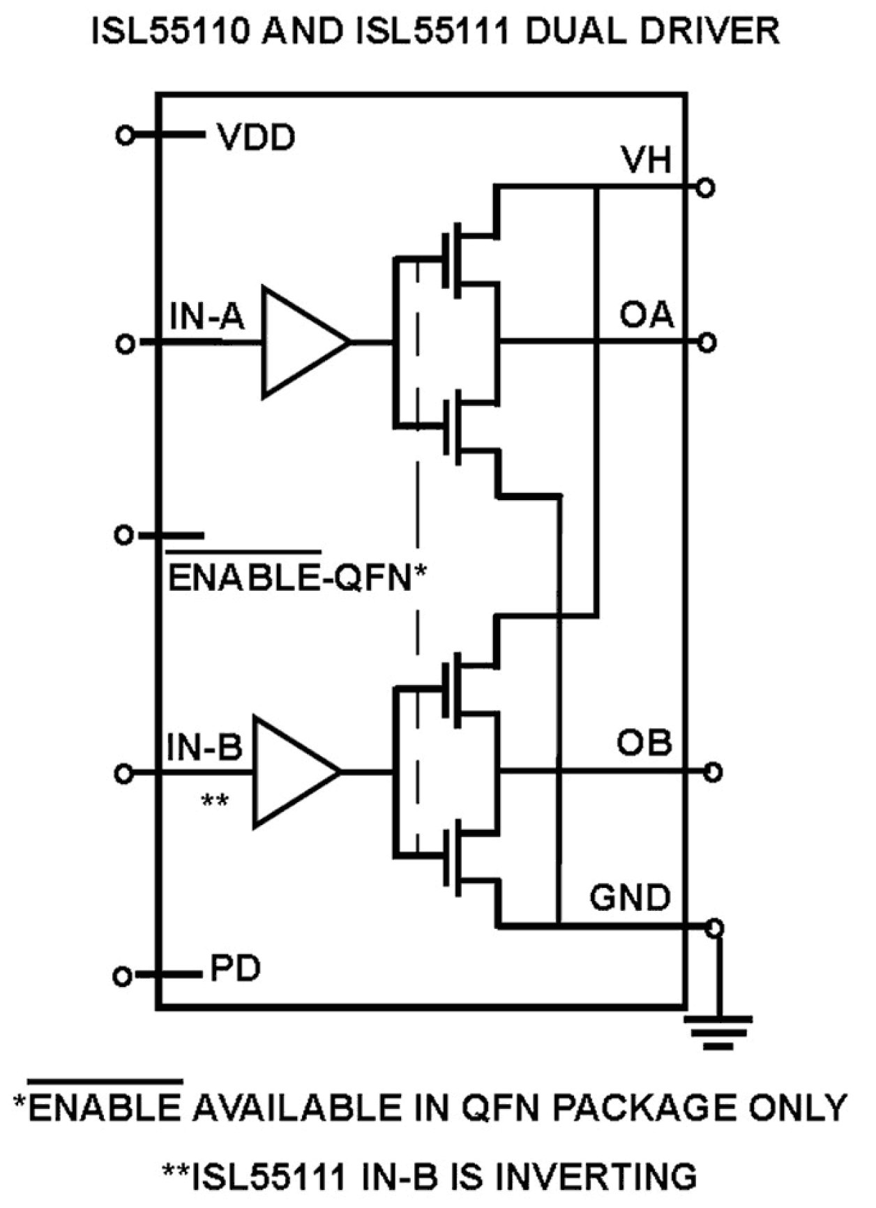
The ISL55110 is a dual high-speed MOSFET driver intended for applications requiring accurate pulse generation and buffering. Target applications include ultrasound, charge-coupled device (CCD) imaging, piezoelectric distance sensing, and clock generation circuits. With a wide output voltage range and low ON-resistance, these devices can drive a variety of resistive and capacitive loads with fast rise and fall times, allowing high-speed operation with low skew, as required in large CCD array imaging applications. The ISL55110 is compatible with 3.3V and 5V logic families and incorporates tightly controlled input thresholds to minimize the effect of input rise time on output pulse width. The device has a pair of in-phase drivers. And, it has a power-down mode for low power consumption during equipment standby times, making it ideal for portable products. The ISL55110 is available in 16 Ld exposed pad QFN packaging and an 8 Ld TSSOP and is specified for operation over the full -40 °C to +85 °C temperature range.

Parameters

AttributesValue
Drivers (#)2
Fall Time0.0015
IS (mA)3.5
Input Signal Range0 to VP
Input Supply (Max) (VP)5.5 - 5.5
Input Voltage (Max) (V)5.5
Output Signal Range0 to 13.2
Peak Output Current IPK (A)3.5
RDS (ON) (Ohms)3
Rise Time (μs)1.5
Turn Off Delay (ns)40
Turn On Delay (ns)40
VBIAS (Min) (V)2.7
Qualification LevelStandard

Package Options

Pkg. TypePkg. Dimensions (mm)Lead Count (#)Pitch (mm)
QFN4.0 x 4.0 x 1.00160.5
TSSOP3.0 x 4.4 x 0.0080.7

Application Block Diagrams

Intelligent Lighting System for Building Automation Block Diagram
Intelligent Lighting System for Building Automation
Intelligent lighting system with DALI-2 and customizable dimming for building automation.

Additional Applications

  • Ultrasound MOSFET drivers
  • CCD array horizontal drivers
  • Automotive piezo driver applications
  • Clock driver circuits

Applied Filters: