Skip to main content

Features

  • High VOD: 3.1V (Typ) into RD = 54Ω
  • Low bus currents: 125μA constitutes a true 1/8 unit load
  • Allows for up to 512 transceivers on the bus
  • ±16.5kV ESD protection on bus I/O pins
  • High transient overvoltage tolerance of ±100V
  • Full fail-safe outputs for open or shorted inputs
  • Hot plug capability - driver and receiver outputs remain high-impedance during power-up and power-down
  • Supported data rates: 115kbps, 1Mbps, 20Mbps
  • Low supply current (driver disabled): 550μA
  • Ultra-low shutdown current: 70nA

Description

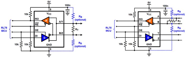
The ISL315xE family of 5V powered RS-485/RS-422 transceivers features high output drive and high ESD protection. The devices withstand ±16. 5kV IEC61000-4- 2 ESD strikes without latch-up. The large output voltage of 3. 1V typical into a 54Ω load provides high noise immunity, and enables the drive of up to 8000ft long bus segments, or eight 120Ω terminations in a star topology. These devices possess less than 125μA bus input currents, thus constituting a true 1/8 unit load. The high output drive combined with the low bus input currents allows for connecting up to 512 transceivers on the same bus. The receiver inputs feature a full fail-safe design that turns the receiver outputs high when the bus inputs are open or shorted. The ISL315xE family includes half and full-duplex transceivers with active-high driver-enable pins and active-low receiver enable pins. These transceivers support data rates of 115kbps, 1Mbps, and 20Mbps. Their performance is characterized from -40°C to +85°C.

Parameters

Attributes Value
Transmitters (#) 1
Receivers (#) 1
Devices Allowed on Bus 256
Half/Full Duplex Full
Supply Voltage Vcc Range 4.5-5.5
High ESD Protection Yes-IEC61000
Hot Plug Yes
Data Rate (Mbps) 20
Slew Rate Limited No
Tx/Rx Enable Yes
IS Enabled/Disabled 800/700 µA
SHDN ICC 0.07 µA
VL Pin No
Advanced Features High Speed

Package Options

Pkg. Type Pkg. Dimensions (mm) Lead Count (#) Pitch (mm)
MSOP 3.0 x 3.0 x 0.85 10 0.5
SOICN 8.7 x 3.9 x 0.00 14 1.3

Application Block Diagrams

48V BLDC Motor Position Control Block Diagram
48V BLDC Motor Position Control
Efficient BLDC motor system with precise control, rapid wake-up, and seamless component integration.

Additional Applications

  • Utility Meters and Automated Meter Reading Systems
  • High Node Count Systems
  • PROFIBUS® and Field Bus Networks, and Factory Automation
  • Security Camera Networks
  • Building Lighting and Environmental Control Systems
  • Industrial/Process Control Networks

Applied Filters: