| CAD Model: | View CAD Model |
| Pkg. Type: | PDIP |
| Pkg. Code: | EWD |
| Lead Count (#): | 8 |
| Pkg. Dimensions (mm): | 9.7 x 6.6 x 3.94 |
| Pitch (mm): | 2.5 |
| Moisture Sensitivity Level (MSL) | Not Applicable |
| Pb (Lead) Free | Yes |
| RoHS (ICL7665SACPAZ) | Download |
| ECCN (US) | |
| HTS (US) |
| Lead Count (#) | 8 |
| Carrier Type | Tube |
| Moisture Sensitivity Level (MSL) | Not Applicable |
| Pitch (mm) | 2.5 |
| Pkg. Dimensions (mm) | 9.7 x 6.6 x 3.94 |
| Pb (Lead) Free | Yes |
| Pb Free Category | Pb-Free 100% Matte Tin Plate w/Anneal-e3 |
| Temp. Range (°C) | 0 to +70°C |
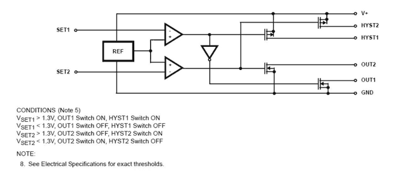
| Adjustable POR Timeout | No |
| Adjustable Vtrip | Yes |
| Advanced Features | Programmable Hysteresis |
| Fixed Vtrip | No |
| Input Voltage (Max) (V) | 16 |
| Input Voltage (Min) (V) | 1.6 |
| Interface | N/A |
| Length (mm) | 9.7 |
| MOQ | 3000 |
| Manual Reset | No |
| Monitor Voltage (Max) (V) | 16 - 16 |
| Parametric Category | Voltage Supervisor & Reset ICs |
| Pkg. Type | PDIP |
| Price (USD) | $2.47586 |
| Qualification Level | Standard |
| Reset Output Type | Active Low |
| Thickness (mm) | 3.94 |
| TwinPin™ MR#/RST# | No |
| VMONITOR | Adj to 1.3V Ref |
| Voltage Monitors (#) | 2 |
| WDT | No |
| Width (mm) | 6.6 |
The ICL7665S super CMOS micropower Over/Under voltage detector contains two low power, individually programmable voltage detectors on a single CMOS chip. Requiring typically 3μA for operation, the device is intended for battery-operated systems and instruments which require high or low voltage warnings, settable trip points, or fault monitoring and correction. The trip points and hysteresis of the two voltage detectors are individually programmed via external resistors. An internal bandgap type reference provides an accurate threshold voltage while operating from any supply in the 1. 6V to 16V range. The ICL7665S, super programmable Over/Under voltage detector is a direct replacement for the industry standard. The ICL7665B offering wider operating voltage and temperature ranges, improved threshold accuracy (ICL7665SA), and temperature coefficient, and guaranteed maximum supply current. All improvements are highlighted in the electrical characteristics section. All critical parameters are guaranteed over the entire commercial and industrial temperature ranges.