Features
- Pb-free (RoHS compliant)
- ESD protection for RS-232 I/O pins to ±15kV (IEC61000)
- Pin compatible replacement for MAX3237E
- Pin selectable, ensured data rate: 250kbps/1Mbps
- Meets EIA/TIA-232 and V.28/V.24 specifications at 3V
- RS-232 compatible with VCC = 2.7V
- Latch-up free
- On-chip voltage converters require only four external capacitors
- Manual powerdown feature
- Flow through pinout
- Rx and Tx hysteresis for improved noise immunity
- Rx active in powerdown; separate Rx Enable pin
- Guaranteed minimum slew rate: 6V/µs or 24V/µs
- Wide power supply range: Single +3V to +5.5V
- Low supply current in powerdown state: 10nA
Description
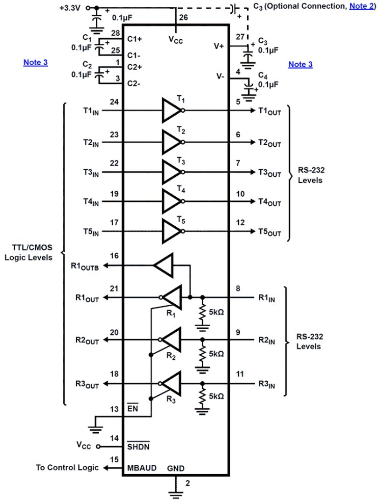
The ICL3237E contains 3. 0V to 5. 5V powered RS-232 transmitters/receivers that meet ElA/TIA-232 and V. 28/V. 24 specifications, even at VCC = 3. 0V. It provides ±15kV ESD protection (IEC61000-4-2 Air Gap and Human Body Model) on transmitter outputs and receiver inputs (RS-232 pins). Targeted applications are cell phones, PDAs, Palmtops, and notebook and laptop computers where the low operational power and even lower standby power consumption is critical. Efficient on-chip charge pumps coupled with the manual powerdown function reduce the standby supply current to a 10nA trickle. Small footprint packaging and the use of small, low value capacitors ensure board space savings. Data rates greater than 1Mbps (MBAUD = VCC) are ensured at worst case load conditions. The ICL3237E is fully compatible with 3. 3V only systems, mixed 3. 3V and 5. 0V systems, and 5. 0V only systems. The ICL3237E is a 5 driver, 3 receiver device that also includes a noninverting always-active receiver for “wake-up” capability. Table 1 summarizes the features of the ICL3237E. Application Note AN9863 summarizes the features of each device comprising the ICL32xx RS-232 3V family.
Parameters
| Attributes | Value |
|---|---|
| Transmitters (#) | 5 |
| Receivers (#) | 3 |
| High ESD Protection | Yes |
| Data Rate (Mbps) | 0.5 |
| Supply Voltage Vcc Range | 3-5.5 |
| Manual Shutdown | Yes |
| Auto Shutdown | No |
| Rx Disable | Yes |
| Charge-pump Capacitance Value (µF) | 0.1 |
| IS Enabled (mA) | 0.3 |
| IS Disabled (μA) | 0.01 |
Package Options
| Pkg. Type | Pkg. Dimensions (mm) | Lead Count (#) | Pitch (mm) |
|---|---|---|---|
| SSOP | 10.2 x 5.3 x 1.75 | 28 | 0.7 |
Applications
- Any System Requiring RS-232 Communication Ports Battery Powered, Hand-Held, and Portable Equipment Laptop Computers, Notebooks, Palmtops Modems, Printers and other Peripherals Data Cradles and Cables Cellular/Mobile Phone
Applied Filters: