Skip to main content

Features

  • Meets all RS-232C and V.28 specifications
  • Requires only single +5V power supply
  • Onboard voltage doubler/inverter
  • Low power consumption
  • 2 drivers
  • ±9V output swing for +5V input
  • 300Ω power-off source impedance
  • output current limiting
  • TTL/CMOS compatible
  • 30V/µs maximum slew rate
  • 2 Receivers
  • ±30V input voltage range
  • 3kΩ to 7kΩ input impedance
  • 0.5V hysteresis to improve noise rejection
  • All critical parameters are guaranteed over the entire commercial, industrial and military temperature ranges
  • Pb-free (RoHS compliant)

Description

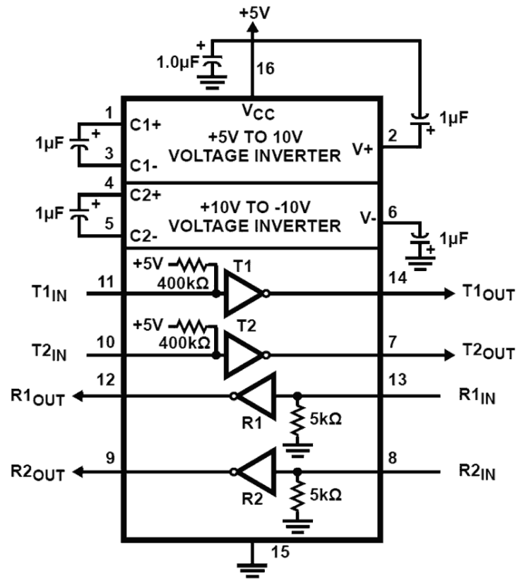
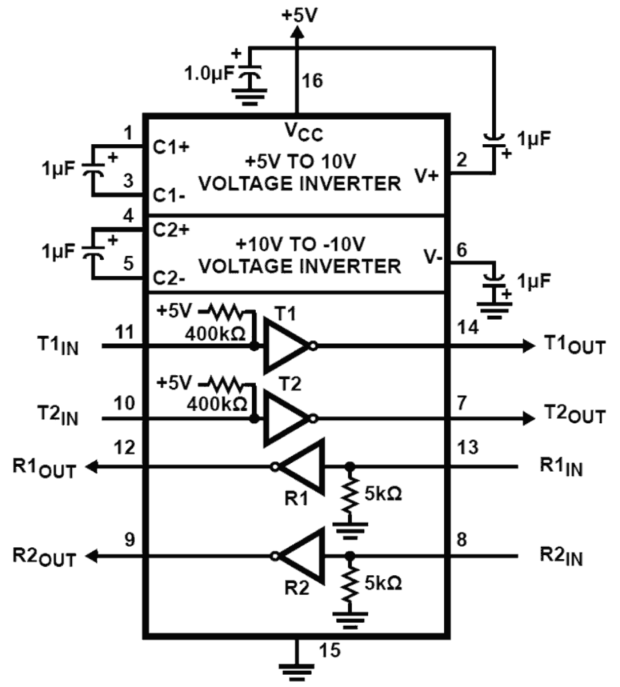
The ICL232 is a dual RS-232 transmitter/receiver interface circuit that meets all ElA RS-232C and V. 28 specifications. It requires a single +5V power supply, and features two onboard charge pump voltage converters which generate +10V and -10V supplies from the 5V supply. The drivers feature true TTL/CMOS input compatibility, slewrate- limited output, and 300Ω power-off source impedance. The receivers can handle up to +30V, and have a 3kΩ to 7kΩ input impedance. The receivers also have hysteresis to improve noise rejection.

Applications

  • Any System Requiring RS-232 Communications Port Computer - Portable and Mainframe Peripheral - Printers and Terminals Portable Instrumentation Modems
  • Dataloggers

Applied Filters: