Skip to main content
Renesas Electronics Corporation

Features

  • Full CMOS Design
  • Six Transistor Memory Cell
  • Low Standby Supply Current 100µA
  • Low Operating Supply Current 20mA
  • Fast Address Access Time 150ns
  • Low Data Retention Supply Voltage 2.0V
  • CMOS/TTL Compatible Inputs/Outputs
  • JEDEC Approved Pinout
  • Equal Cycle and Access Times
  • No Clocks or Strobes Required
  • Gated Inputs
  • No Pull-Up or Pull-Down Resistors Required
  • Easy Microprocessor Interfacing
  • Dual Chip Enable Control

Description

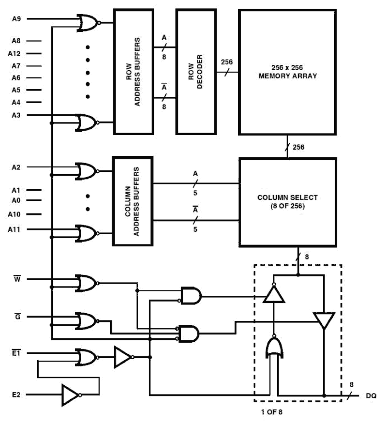
The HM-65642 is a CMOS 8192 x 8-bit Static Random Access Memory. The pinout is the JEDEC 28 pin, 8-bit wide standard, which allows easy memory board layouts which accommodate a variety of industry standard ROM, PROM, EPROM, EEPROM and RAMs. The HM-65642 is ideally suited for use in microprocessor based systems. In particular, interfacing with the Intersil 80C86 and 80C88 microprocessors is simplified by the convenient output enable (G) input. The HM-65642 is a full CMOS RAM which utilizes an array of six transistor (6T) memory cells for the most stable and lowest possible standby supply current over the full military temperature range.

Applied Filters: