Skip to main content
Renesas Electronics Corporation

Features

  • 3 Micron Radiation Hardened SOS CMOS
  • Total Dose 200K RAD (Si)
  • SEP Effective LET No Upsets: >100 MEV-cm2/mg
  • Single Event Upset (SEU) Immunity < 2 x 10-9 Errors/ Bit-Day (Typ)
  • Dose Rate Survivability: >1 x 1012 RAD (Si)/s
  • Dose Rate Upset >1010 RAD (Si)/s 20ns Pulse
  • Latch-Up Free Under Any Conditions
  • Military Temperature Range: -55°C to +125°C
  • Significant Power Reduction Compared to LSTTL ICs
  • DC Operating Voltage Range: 4.5V to 5.5V
  • LSTTL Input Compatibility
  • VIL = 0.8V Max
  • VIH = VCC/2 Min
  • Input Current Levels Ii ≤ 5µA at VOL, VOH

Description

Support is limited to customers who have already adopted these products.

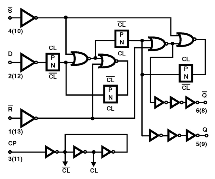
The Intersil HCTS74MS is a Radiation Hardened positive edge triggered flip-flop with set and reset. The HCTS74MS utilizes advanced CMOS/SOS technology to achieve high-speed operation. This device is a member of radiation hardened, high-speed, CMOS/SOS Logic Family. The HCTS74MS is supplied in a 14 lead Ceramic flatpack (K suffix) or a SBDIP Package (D suffix).

Applied Filters: