Skip to main content
Renesas Electronics Corporation

Features

  • 3 micron radiation hardened SOS CMOS
  • Total dose 200K RAD (Si)
  • SEP effective LET no upsets: >100 MEV-cm2/mg
  • Single Event Upset (SEU) immunity < 2 x 10-9 errors/bit-day (Typ)
  • Dose rate survivability: >1 x 1012 RAD (Si)/s
  • Dose rate upset >1010 RAD (Si)/s 20ns pulse
  • Latch-up free under any conditions
  • Fanout (over temperature range)
  • Bus driver outputs - 15 LSTTL loads
  • Military temperature range: -55 °C to +125 °C
  • Significant power reduction compared to LSTTL ICs
  • DC operating voltage range: 4.5V to 5.5V
  • Input logic levels
    • VIL = 0.3 VCC Max
    • VIH = 0.7 VCC Min
  • Input current levels Ii ≤ 5µA at VOL, VOH

Description

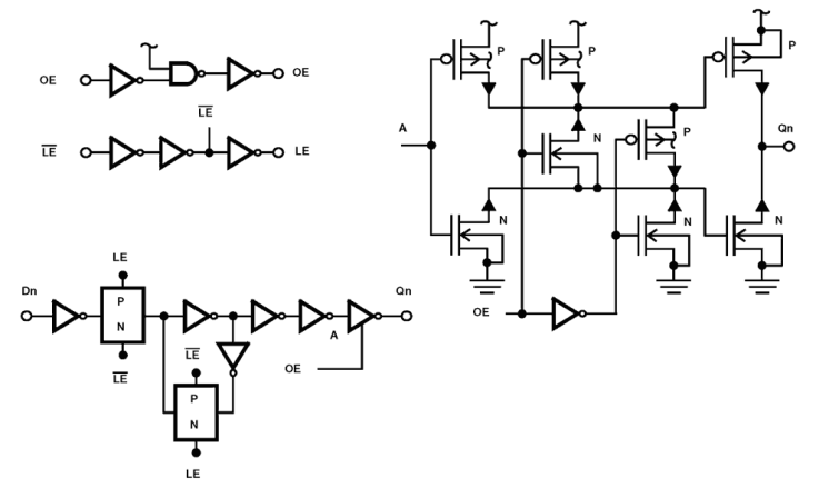
The Intersil HCS573MS is a radiation hardened octal transparent three-state latch with an active low output enable. The HCS573MS utilizes advanced CMOS/SOS technology. The outputs are transparent to the inputs when the Latch Enable (LE) is HIGH. When the Latch Enable (LE) goes LOW, the data is latched. The Output Enable (OE) controls the tri-state outputs. When the Output Enable (OE) is HIGH, the outputs are in the high impedance state. The latch operation is independent of the state of the Output Enable. The HCS573MS utilizes advanced CMOS/SOS technology to achieve high-speed operation. This device is a member of the radiation hardened, high-speed, CMOS/SOS logic family. The HCS573MS is supplied in a 20-lead Ceramic Flatpack (K suffix) or an SBDIP package (D suffix).

Applied Filters: