Skip to main content

Features

  • Fully differential inputs and outputs
  • Differential input range ±2.3V typ.
  • 100MHz 3dB bandwidth at fixed gain of 2
  • 1100V/µs slew rate
  • Single 5V or dual ±5V supplies
  • 50mA maximum output current
  • Low power - 7.4mA per channel
  • Pb-free available (RoHS compliant)

Description

Support is limited to customers who have already adopted these products.

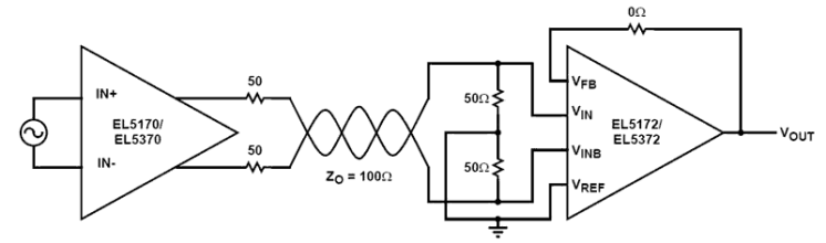
The EL5170 and EL5370 are single and triple high bandwidth amplifiers with a fixed gain of 2. They are primarily targeted for applications such as driving twisted-pair lines in component video applications. The inputs signal can be in either single-ended or differential form but the outputs are always in differential form. The output common mode level for each channel is set by the associated VREF pin, which have a -3dB bandwidth of over 70MHz. Generally, these pins are grounded but can be tied to any voltage reference. All outputs are short circuit protected to withstand temporary overload condition. The EL5170 and EL5370 are specified for operation over the full -40°C to +85°C temperature range.

Applications

  • Twisted-pair drivers
  • Differential line drivers
  • VGA over twisted-pairs
  • ADSL/HDSL drivers
  • Single ended to differential amplification
  • Transmission of analog signals in a noisy environment

Applied Filters: