Features
- High-performance 1:4 LVCMOS clock buffer
- Very low pin-to-pin skew: < 50ps
- Very low additive jitter: < 50fs
- Supply voltage: 1.8V to 3.3V
- fMAX = 200MHz
- Integrated serial termination for 50Ω channel
- Packaged in 8-pin TSSOP and small DFN packages
- Extended (-40 °C to +105 °C) temperature range
- AEC-Q100 qualified, Automotive Grade 1 (-40 °C to +125 °C)
Description
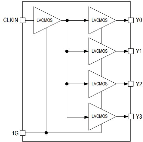
The 5PB1104 is a high-performance 1:4 LVCMOS clock buffer that offers a best-in-class additive phase jitter of 50fs RMS. This clock buffer also supports an Output Enable function. It is available in 8-pin DFN and TSSOP packages and can operate from a 1.8V to 3.3V supply.
Parameters
| Attributes | Value |
|---|---|
| Function | Buffer |
| Outputs (#) | 4 |
| Output Type | LVCMOS |
| Output Freq Range (MHz) | 200 |
| Input Type | LVCMOS |
| Output Banks (#) | 1 |
| Output Voltage (V) | 1.8V, 2.5V, 3.3V |
| Output Skew (ps) | 65 |
| Additive Phase Jitter Typ RMS (fs) | 35 |
Application Block Diagrams
|
|
AMD 4th-Gen EPYC (Genoa) Power & Timing System
Complete power and timing system for AMD Genoa with SVI3, DDR5, and PCIe Gen 5/6 support.
|
Additional Applications
- Industrial applications
- Automotive Radar, LiDAR, and other applications
Applied Filters:
Loading
Filters
Software & Tools
Sample Code
Simulation Models
This video provides an overview of the LVCMOS High Performance Clock Buffer Family, highlighting their key features and capabilities.
Related Resources
This video overviews the LVCMOS Fanout Buffers, showcasing their best-in-class performance with extremely low phase jitter, minimal output skew, and low power consumption, along with other competitive features.
News & Blog Posts
Blog Post
Feb 7, 2019
|
Blog Post
Dec 15, 2018
|
News
Mar 24, 2015
|