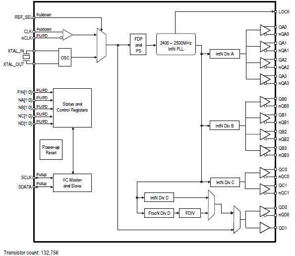
Features
- Provides a total of 12 outputs: 11 differential (LVPECL or LVDS) and 1 LVCMOS on 3 integer and 1 integer or FracN divider
- Supports programmable output swing – 350mV, 500mV, and 750mV
- Output skew less than 45ps
- Low phase jitter:
- Integer divider (156.25MHz) : 80fs RMS phase jitter, 12kHz to 20MHz (typical)
- Fractional divider (212.5MHz) : 133fs RMS phase jitter, 12kHz to 20MHz (typical)
- Output frequencies from 10.91MHz up to 2.5GHz differential, 250MHz LVCMOS
- Flexible input options: 10MHz to 50MHz fundamental-mode crystal
- Reference input from 5MHz to 1GHz
- Programmable loop filter is 200kHz; can be set up by an external capacitor
- Supports external I²C EEPROM non-volatile memory for configuration
- Select configurations may be controlled via the use of control input pins without the need for serial port access
- LVCMOS compatible I²C serial interface gives access to additional configurations either alone or in combination with the control input pins
- -40 °C to +85 °C ambient operating temperature
- Packaged in 64-VFQFN, lead-free RoHS (6)
- Supported by Timing™ Commander Software
Description
The 8V49NS0412 is a flexible clock generator with a total of four output dividers: three integer and one that is either integer or fractional. When used with an external crystal, the 8V49NS0412 generates high-performance timing geared towards the communications, datacom, and data center markets, especially for applications demanding extremely low phase noise, such as 10, 40, 100, and 400GE. The device is offered in a lead-free 64-VFQFN package and is designed to operate across the full industrial temperature range.
The 8V49NS0412 provides versatile frequency configurations and output formats and is optimized to deliver excellent phase noise performance. The device delivers an optimum combination of high clock frequency and low phase noise performance, combined with high-power supply noise rejection. Flexibility and ease of programmability allow these devices to be used in a variety of clock trees while reducing engineering effort. The device is programmable through an I²C interface and also supports I²C master capability to allow the register configuration to be read from an external EEPROM. Renesas' Timing Commander™ software tool enables a fast and easy reconfiguration of the device.
Parameters
| Attributes | Value |
|---|---|
| Diff. Outputs | 11 |
| Outputs (#) | 12 |
| Output Type | LVPECL, LVDS |
| Output Freq Range (MHz) | 10.91 - 2500 |
| Input Freq (MHz) | 5 - 1000 |
| Inputs (#) | 2 |
| Input Type | Crystal, HCSL, HSTL, LVDS, LVPECL, LVHSTL, LVCMOS |
| Output Banks (#) | 4 |
| Core Voltage (V) | 3.3 |
| Output Voltage (V) | 3.3 |
| Feedback Input | No |
| Product Category | FemtoClock, IEEE 1588, Ultra-Low Jitter Clocks (<300 fs RMS), Extreme Performance Clocks (<150 fs RMS), Network Synchronization, PDH and SONET/SDH Clocks, Programmable Clocks |
Package Options
| Pkg. Type | Pkg. Dimensions (mm) | Lead Count (#) | Pitch (mm) |
|---|---|---|---|
| VFQFPN | 9.0 x 9.0 x 0.9 | 64 | 0.5 |
Applied Filters: