Features
- PLL or Bypass mode; PLL can de-jitter incoming clock
- PCIe Gen1–7 compliant in PLL mode
- PCIe Gen1–7 compliant in Bypass mode
- Supports PCIe SRIS and SRNS clocking
- UPI/QPI support
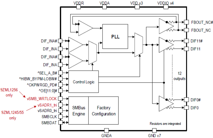
- LP-HCSL outputs with Zout = 100Ω; eliminate 48 resistors
- 12 OE# pins; hardware control of each output
- Spread spectrum tolerant; allows reduction of EMI
- 9 selectable SMBus addresses; multiple devices can share the same SMBus segment
- Pin/SMBus selectable selectable PLL bandwidth and PLL Bypass; minimize phase jitter for each application
- Easy AC coupling to other output logic like LVPECL/LVDS; see application note AN-891.
- 10mm × 10mm 72-QFN package
Description
The 9ZML1245 is a second generation of enhanced performance DB1200ZL derivative. The device features both PLL and Bypass modes for flexibility. The PLL has a low noise PLL that can be used as a PCIe clock jitter cleaner. The device supports PCIe Gen1–7 and more complex architectures like SRIS and SRNS clocking. 9ZML1245 also features an SMBus Write Lockout pin for increased device and system security.
For information regarding evaluation boards and material, please contact your local sales representative.
Parameters
| Attributes | Value |
|---|---|
| Diff. Outputs | 12 |
| Diff. Output Signaling | LP-HCSL |
| Output Freq Range (MHz) | 1 - 400 |
| Diff. Inputs | 2 |
| Diff. Input Signaling | HCSL |
| Accepts Spread Spec Input | Yes |
| Power Consumption Typ (mW) | 343 |
| Supply Voltage (V) | 3.3 - 3.3 |
| Output Type | LP-HCSL |
| Diff. Termination Resistors | 0 |
| Package Area (mm²) | 16 |
| Battery Backup | No |
| Battery Seal | No |
| CPU Supervisory Function POR | No |
| Crystal Frequency Trimming | No |
| Frequency Out Pin | No |
| Inputs (#) | 2 |
| Input Freq (MHz) | 1 - 200 |
| Additive Phase Jitter Typ RMS (fs) | 130 |
| Function | Multiplexer |
| Input Type | HCSL |
| Output Banks (#) | 1 |
| Core Voltage (V) | 3.3 |
| Output Voltage (V) | 0.4 |
| Product Category | Clock Multiplexers, PCI Express Clocks, Processor Clock Buffers |
Package Options
| Pkg. Type | Pkg. Dimensions (mm) | Lead Count (#) | Pitch (mm) |
|---|---|---|---|
| VFQFPN | 10.0 x 10.0 x 1.0 | 72 | 0.5 |
Applications
- Servers/High-performance Computing
- nVME Storage
- Networking
- Accelerators
- Industrial Control
Applied Filters: