Features
- High-performance clock RF-PLL with support for JESD204B
- Optimized for low phase noise: -150dBc/Hz (800kHz offset; 245.76MHz clock)
- Dual-PLL architecture
- 1st-PLL stage with external VCXO for clock jitter attenuation
- 2nd-PLL stage with internal FemtoClock NG PLL: 2949.12MHz
- Six output channels with a total of 19 outputs, organized in:
- Four JESD204B channels (device clock and SYSREF output) with two, four and six outputs
- One clock channel with two outputs
- One VCXO output
- Configurable integer clock frequency dividers
- Supported clock output frequencies include: 1474.45MHz, 983.04MHz, 491.52MHz, 245.76MHz, 122.88MHz
- Low-power LVPECL/LVDS outputs support configurable signal amplitude, DC and AC coupling and LVPECL, LVDS line terminations techniques
- Phase delay circuits:
- Individual channel clock phase delay with 256 steps of 339ps and a range of 0ns to 86.466ns
- Individual SYSREF phase delay with eight steps of 169ps and one fine delay step of 85ps
- Global SYSREF signal delay with 256 steps of 339ps and a range of 0ns to 86.466ns
- Redundant input clock architecture with four inputs and:
- Input activity monitoring
- Manual and automatic, fault-triggered clock selection modes
- Priority controlled clock selection
- Digital holdover and hitless switching
- Differential inputs accept LVDS and LVPECL signals
- Power-down modes for unused circuits and outputs
- SYSREF generation modes include internal and external trigger mode for JESD204B
- Supply voltage: 3.3V
- SPI I/O voltage: 1.8V (3.3V-tolerant inputs)
- Package: 11 x 11 mm 100-CABGA
- Temperature range: -40°C to 85°C
Description
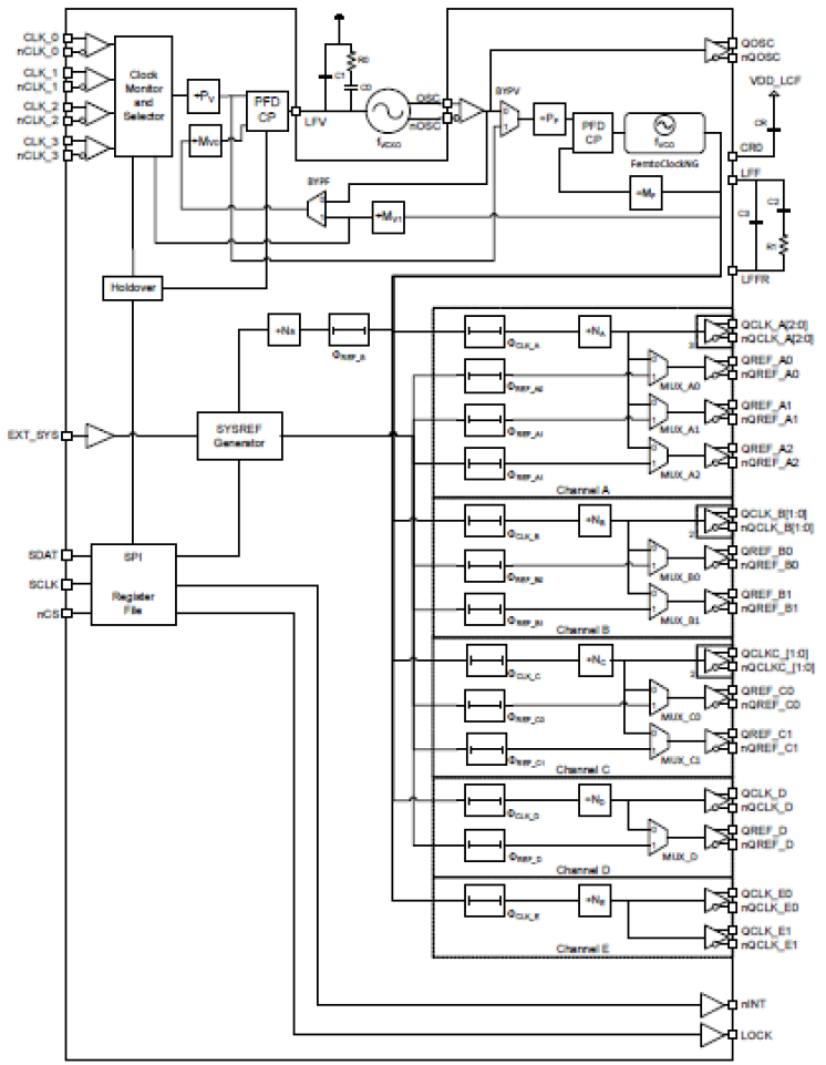
The 8V19N480 is a fully integrated FemtoClock® NG jitter attenuator and clock synthesizer designed as a high-performance clock solution for conditioning and frequency/phase management of wireless base station radio equipment boards. The device is optimized to deliver excellent phase noise performance as required in GSM, WCDMA, LTE, LTE-A radio board implementations. The device supports JESD204B subclass 0 and 1 clocks.
A two-stage PLL architecture supports both jitter attenuation and frequency multiplication. The first stage PLL is the jitter attenuator and uses an external VCXO for best possible phase noise characteristics. The second stage PLL locks on the VCXO-PLL output signal and synthesizes the target frequency.
The device supports the clock generation of high-frequency clocks from the selected VCO and low-frequency system reference signals (SYSREF). SYSREF signals are internally synchronized to the clock signals. Delay functions exist for achieving alignment and controlled phase delay between system reference and clock signals and to align/delay individual output signals. The four redundant inputs are monitored for activity. Four selectable clock switching modes are provided to handle clock input failure scenarios. Auto-lock, individually programmable output frequency dividers and phase adjustment capabilities are added for flexibility. The device is configured through a 3-wire SPI interface and reports lock and signal loss status in internal registers and via a lock detect (LOCK) output. Internal status bit changes can also be reported via the nINT output. The device is ideal for driving converter circuits in wireless infrastructure, radar/imaging and instrumentation/medical applications.
For information regarding evaluation boards and material, please contact your local sales representative.
Parameters
| Attributes | Value |
|---|---|
| Output Freq Range (MHz) | 20.48 - 1474.56 |
| Accepts Spread Spec Input | No |
| Supply Voltage (V) | 3.3 - 3.3 |
| Output Type | LVDS, LVPECL |
| Package Area (mm²) | 64 |
| Battery Backup | No |
| Battery Seal | No |
| CPU Supervisory Function POR | No |
| Crystal Frequency Trimming | No |
| Frequency Out Pin | No |
| Inputs (#) | 4 |
| Input Freq (MHz) | 30.72 - 500 |
| DPLL Channels (#) | 0 |
| JESD204B/C Compliant | Yes |
| Frequency Plan | 2949.12 / Output_Divider |
| Adjustable Phase | Yes |
| Noise Floor (dBc/Hz) | -161 |
| Phase Noise Supports GSM | Yes |
| Synthesis Mode | Integer |
| Input Ref. Divider Resolution (bits) | 12 |
| Feedback Divider Resolution (bits) | 12 |
| Output Divider Resolution (bits) | 8 |
| Input Redundancy | Input Monitor, Auto-switch, Manual switch, Revertive and non-revertive switch, Holdover |
| Channels (#) | 1 |
| Additive Phase Jitter Typ RMS (fs) | 77 |
| Input Type | LVDS, LVPECL |
| Output Banks (#) | 5 |
| Core Voltage (V) | 3.3 |
| Output Voltage (V) | 3.3 |
| Product Category | JESD204B/C, Jitter Attenuators |
Package Options
| Pkg. Type | Pkg. Dimensions (mm) | Lead Count (#) | Pitch (mm) |
|---|---|---|---|
| CABGA | 11.0 x 11.0 x 1.2 | 100 | 1 |
Applied Filters: