Skip to main content

Features

  • Complete 12-Bit A/D Converter with Reference and Clock
  • Full 8-Bit, 12-Bit or 16-Bit Microprocessor Bus Interface
  • Bus Access Time 150ns
  • No Missing Codes Over Temperature
  • Minimal Setup Time for Control Signals
  • Fast Conversion Times
  • HI-574A (Max) 25µs
  • HI-674A (Max) 15µs
  • Low Noise, via Current-Mode Signal Transmission Between Chips
  • Byte Enable/Short Cycle (AO Input)
  • Guaranteed Break-Before-Make Action, Eliminating Bus Contention During Read Operation. Latched by Start Convert Input (To Set the Conversion Length)
  • Supply Voltage ±12V to ±15V
  • Pb-Free Available (RoHS Compliant)

Description

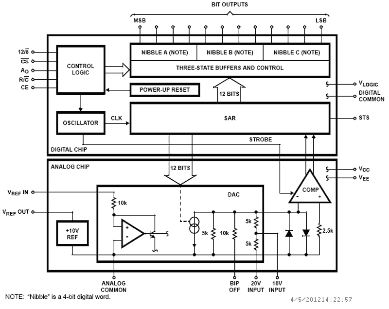
The HI-X74(A) is a complete 12-bit, Analog-to-Digital Converter, including a +10V reference clock, three-state outputs and a digital interface for microprocessor control. Successive approximation conversion is performed by two monolithic dice housed in a 28 lead package. The bipolar analog die features the Intersil Dielectric Isolation process, which provides enhanced AC performance and freedom from latch-up. Custom design of each IC (bipolar analog and CMOS digital) has yielded improved performance over existing versions of this converter. The voltage comparator features high PSRR plus a High-Speed current-mode latch, and provides precise decisions down to 0. 1 LSB of input overdrive. More than 2X reduction in noise has been achieved by using current instead of voltage for transmission of all signals between the analog and digital ICs. Also, the clock oscillator is current controlled for excellent stability over temperature. The HI-X74(A) offers standard unipolar and bipolar input ranges, laser trimmed for specified linearity, gain and offset accuracy. The low noise buried zener reference circuit is trimmed for minimum temperature coefficient. Power requirements are +5V and ±12V to ±15V, with typical dissipation of 385mW (HI-574A/674A) at 12V.

Applications

  • Military and Industrial Data Acquisition Systems
  • Electronic Test and Scientific Instrumentation
  • Process Control Systems

Applied Filters: