Skip to main content
Renesas Electronics Corporation

Overview

Description

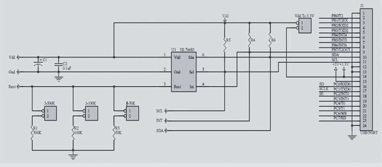
The ISL76683EVAL1Z evaluation board is an RoHS compliant evaluation board designed for exploring the operation of the ISL76683 light-to-digital output sensor. The evaluation board is an easy-to-use platform for testing most of the specifications and functionalities of the ISL76683.

The ISL76683 is an integrated light sensor with an internal integrating ADC intended for automotive applications. The ADC provides 16-bit resolution and is capable of rejecting 50Hz and 60Hz flicker caused by artificial light sources. The I2C interface provides four user programmable lux sensitivity ranges for optimized counts/lux in a variety of lighting conditions. In addition, the I2C interface provides multi-function control of the sensor and remote monitoring capabilities.

Features

  • Range select via I2C
    • Range 1 = 0 lux to 1000 lux
    • Range 2 = 0 lux to 4000 lux
    • Range 3 = 0 lux to 16,000 lux
    • Range 4 = 0 lux to 64,000 lux
  • Human eye response (540nm peak sensitivity)
  • Temperature compensated
  • 16-bit resolution
  • Adjustable sensitivity: Up to 65 counts per lux
  • User-programmable upper and lower threshold interrupt
  • Simple output code, directly proportional to lux
  • IR + UV rejection
  • 50Hz/60Hz rejection
  • 2.5V to 3.3V supply
  • 6 Ld ODFN (2.1mm x 2mm)
  • AEC-Q100 qualified
  • Pb-free (RoHS compliant)

Applications

Documentation

Design & Development

Software & Tools

Software Downloads

Product Options

Applied Filters:

Videos & Training

Support

Support Communities

Support Communities

Get quick technical support online from Renesas Engineering Community technical staff.
Browse Articles

Knowledge Base

Browse our knowledge base for helpful articles, FAQs, and other useful resources.
Submit a Ticket

Submit a Ticket

Need to ask a technical question or share confidential information?