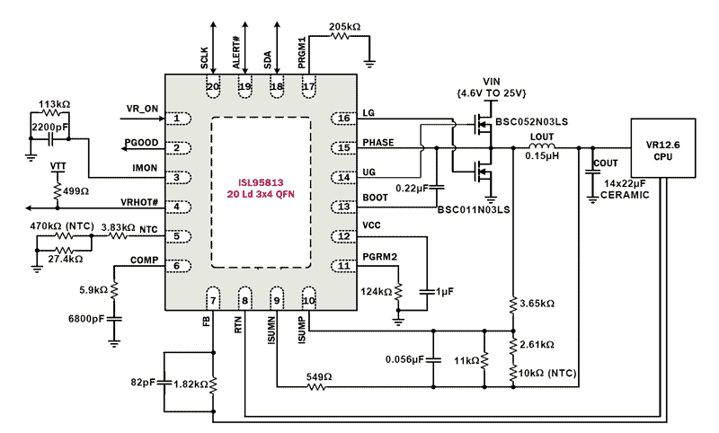
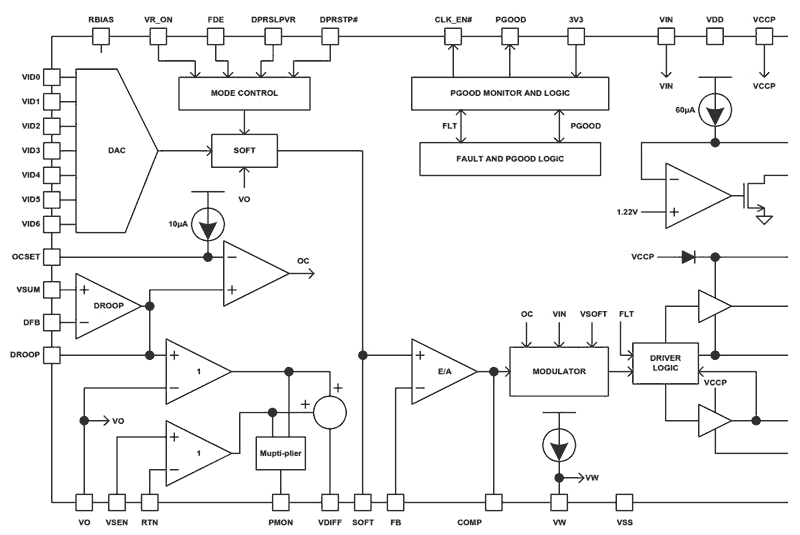
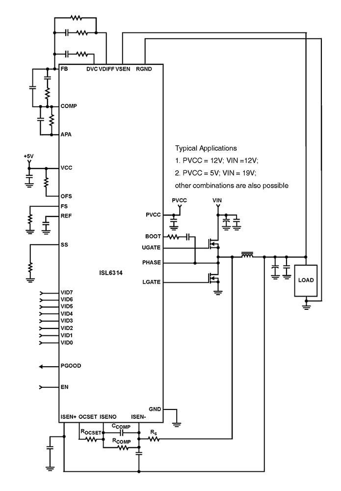
Renesas’ second generation of full digital multiphase PWM controllers provides the industry’s broadest and most scalable solution offerings, with up to 20-phase native support across three independent outputs. The latest family of controllers supports a wide range of interfaces including Intel VR13/VR13HC and IMVP8 specifications, as well as the AMD SVI2 interface. When combined with our industry’s broadest offering of Smart Power Stage modules, ranging from 20A to 90A, the entire power solution can be achieved to meet any rail or power requirement.

Product Selector: Multiphase DC/DC Switching Controllers
Explore our catalog of products through our parametric product selector tool. Compare specifications across various parameters to find the right part for your design.
Product Selector