メインコンテンツに移動
ルネサス エレクトロニクス株式会社 (Renesas Electronics Corporation)

特長

  • 単一インダクタ4スイッチ昇降圧型コントローラ
  • 両端の電圧・電流を独立に制御するオンザフライ双方向動作
  • 独自のアルゴリズムでスムーズなモード遷移を実現
  • MOSFETドライバ、適応型シュートスルー保護機能付き
  • 広い入力電圧範囲:4.5V〜80V
  • 広い出力電圧範囲:0.8V〜80V
  • プリバイアスされたレールへの立ち上げに対応
  • プログラマブル周波数: 100kHz~600kHz
  • カスケード位相インターリーブによる並列運転をサポート
  • クロック出力や周波数ディザリングによる外部同期が可能
  • 外部バイアスによる高効率化(8V〜36V入力時)
  • 出力電流、入力電流のモニタが可能
  • PWM/DE/バーストモードから選択可能なPWMモード動作
  • 正確なEN/UVLOおよびPGOODインジケータを搭載
  • 低シャットダウン電流:2.7µA
  • 完全な保護機能 OCP、SCP、OVP、OTP、およびUVP
    • 平均電流およびパルスごとのピーク電流制限を備えたデュアルレベルOCP、短絡保護(SCP)も提供
    • OCPレスポンスは、ヒカップモードと定電流モードのいずれかを選択可能
    • 負のパルスバイパルスピーク電流リミット

説明

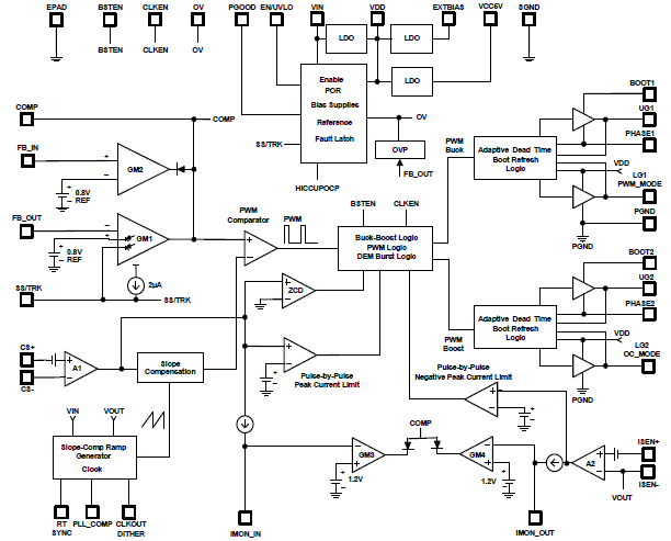
ISL81801は、真の双方向4スイッチ同期整流昇降圧コントローラで、両端にピーク電流と平均電流のセンシングとモニタを備えています。広い入出力電圧範囲を持ち、産業用、通信用、その他の産業用アプリケーションに適しています。

ISL81801は、昇圧モード制御にはバレー電流モジュレーション、降圧モード制御にはピーク電流モジュレーションを用いた独自の昇降圧制御アルゴリズムを使用しています。

ISL81801は、入出力電圧・電流に対して4つの独立した制御ループを備えています。両端にピーク電流センシング機能を持ち、サイクルごとの電流制限を行うことで、両端および双方向の高速過渡状態において瞬時に電流制限を行い、高い動作信頼性を確保しています。また、定電流 (CC) 制限やその他のシステム管理機能を容易にするために、入出力ともに2つの電流監視端子を備えています。低電圧までのCC動作により、過負荷や短絡状態での暴走を回避することができます。また、複数の過電流保護に加え、入出力ともOVP、UVP、OTP、平均・ピーク電流制限などの保護機能を充実させ、一方向、双方向のいずれにおいても高い信頼性を確保しています。また、軽負荷時には独自のDE/バーストモードにより、異なる負荷レベルでも安定した出力リップルを実現し、待機時の消費電力を劇的に低減します。

パッケージは、省スペースな5mm×5mmの32LD TQFNパッケージと、組み立てが容易な4.4mm×9.7mmの38LD HTSSOPパッケージがあります。両パッケージともEPADを採用し、熱性能と耐ノイズ性を向上させています。ISL81801は、少ないピン数、少ない外付け部品、デフォルトの内部設定値により、シンプルな電源設計を短期間で実現するための理想的なソリューションです。

パラメータ

属性
Topology [Rail 1]Buck-Boost
Outputs (#)1
Input Voltage (Min) (V)4.5
Input Voltage (Max) (V)80
Output Voltage (Min) (V)0.8
Output Voltage (Max) (V)80
Quiescent Current45 µA
Switching Frequency Range (Typical) (kHz)600 - 600
Output Per Driver UGATE Source|Sink2|3
Output Per Driver LGATE Source|Sink2|3
SYNCH CapabilityYes
ParallelableYes
Bi-directionYes
Control TypeCurrent Mode
Temp. Range (°C)-40 to +125°C
Simulation Model AvailableiSim

パッケージオプション

Pkg. TypePkg. Dimensions (mm)Lead Count (#)Pitch (mm)
TQFN5.0 x 5.0 x 0.75320.5
TSSOP-EP9.7 x 4.4 x 0.00380.5

アプリケーション・ブロック図

Bi-directional 3000W UPS Power Block Diagram
双方向3000W UPS電源
昇降圧コントローラ、MCU、およびパワーデバイスを備えた双方向3kWテレコムUPSシステム設計。
Power Supply for 5G Systems Block Diagram
5Gインフラ用電源
5G用電源は、さまざまな5Gアプリケーション向けに高効率、低ノイズ、安定なパフォーマンスを提供します。

その他アプリケーション

  • バッテリバックアップ
  • UPS/ストレージシステム
  • バッテリー駆動の産業用アプリケーション
  • 再生可能エネルギー
  • 車載用アフターマーケット
  • 冗長電源
  • ロボット・ドローン
  • 医療機器
  • ビル・産業用オートメーション
  • セキュリティ・サーベイランス

適用されたフィルター