メインコンテンツに移動

特長

  • Wide Input Voltage Range: 2.5V to 20V
  • Max Output Current: 1A
  • Dropout Voltage: 540mV typical at 1A
  • Low Ground Current
  • Output Voltage Adjustable: 1.224V to 18V
  • Excellent Line and Load Regulation
  • Stable with an output capacitor as low as 2.2μF
  • Short-Circuit Current Limit with fold-back
  • Over-Temperature Shutdown Protection
  • 8-Ld DFN (3mm×3mm) and SOIC package

 

説明

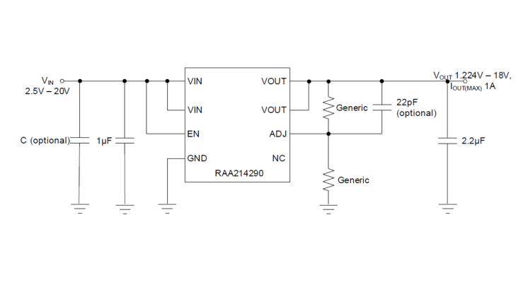
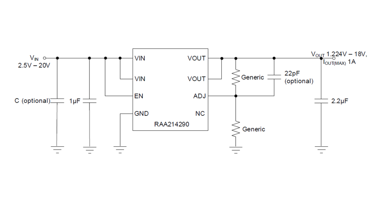
The RAA214290 is a low-dropout linear voltage regulator that operates from 2.5V to 20V and provides up to 1A of output current with a typical dropout of 269mV. The output voltage is adjustable with external feedback resistors anywhere from 1.224V to 18V.

製品比較

RAA214290 RAA214220 RAA214250
AC Input Voltage Range
Continuous Output Current (mA)

パラメータ

属性
Input Voltage (Min) (V) 2.5
Input Voltage (Max) (V) 20
Output Voltage (Min) (V) 1.22
Output Voltage (Max) (V) 18
Output Current 1 (Max) (A) 1
Drop Out Voltage (Typical) 0.27
Fixed Output Voltage Option No
PSRR (db) 87
Quiescent Current 68 µA
Noise (10Hz to 100kHz) (μVrms) 167
Qualification Level Standard

パッケージオプション

Pkg. Type Pkg. Dimensions (mm) Lead Count (#) Pitch (mm)
DFN 3.0 x 3.0 x 0.85 8 0.6
SOICN-EP 4.9 x 3.9 x 1.40 8 1.3

アプリケーション・ブロック図

Level 2 EV Charger Block Diagram
レベル2 EV充電器
効率的なEV充電と管理のための高度な接続性を備えたモジュラEVSEシステム。

その他アプリケーション

  • MCU Power Supply
  • Battery-Powered Equipment
  • Electric Meters and Appliances 
     

適用されたフィルター