メインコンテンツに移動
ルネサス エレクトロニクス株式会社 (Renesas Electronics Corporation)

特長

  • Enhanced N channel FET with no inherent diode to Vcc
  • Pin compatible with the 74'126 function
  • Undershoot clamp diodes on all switch and control inputs
  • Active high enabling
  • Hot-swapping, hot-docking
  • Voltage translation (5V to 3.3V)
  • Power conservation
  • Capacitance reduction and isolation (mass storage, work stations)
  • Logic replacement (data processing)
  • Clock gating
  • Bus isolation
  • Available in 16 pin QSOP and 14 pin SOIC packages

説明

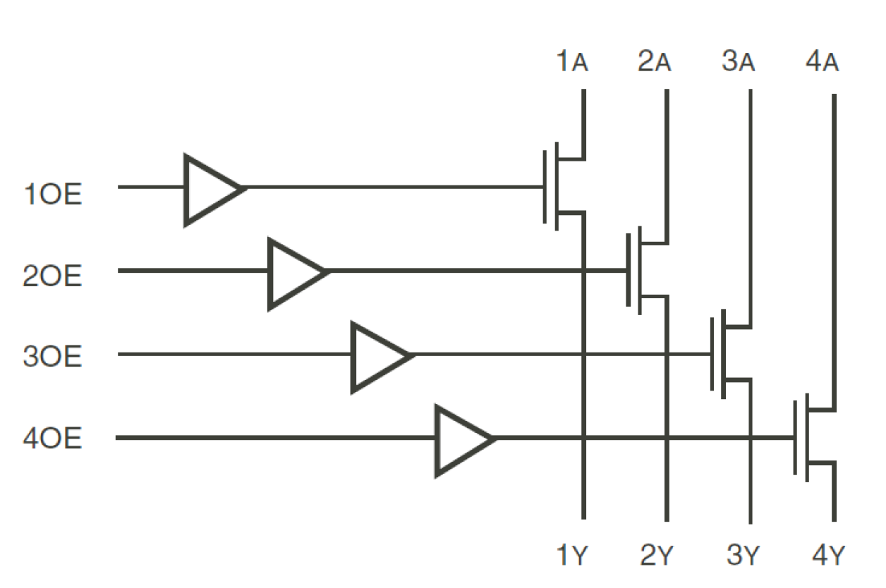
The QS3126 provides a set of four high-speed CMOS switches connecting inputs to outputs. The low ON resistance of the QS3126 allows inputs to be connected to outputs without propagation delay and without generating additional ground bounce noise. The QS3126 is ideal for signal and control switching since the device adds no noise, ground bounce, propagation delay, or significant power consumption to the system. The QS3126 operates at -40C to +85C

適用されたフィルター