特長
- 先進のリニアデジタル変調方式
- 優れた高周波電流バランスのためのゼロ・レイテンシー合成電流制御
- 優れた負荷対効率プロファイルのための自動位相加算/ドロップ
- 優れたDVID性能
- デュアル・エッジ変調による高速過渡応答
- 出力あたり0~4相の柔軟な位相割り当て
- 高密度設計のための最大1MHz動作
- オーバーシュート低減のためのダイオード・ブレーキ
- 軽負荷効率を高めるダイオード・エミュレーション
- 差動リモート電圧センシングにより、負荷、ライン、温度にわたって±0.5%のクローズド・ループ・システム精度をサポート
- 優れた負荷-ライン・レギュレーションと正確なOCPのための高精度電流検知
- 包括的な故障管理により、高信頼性システムを実現
- PowerNavigatorによる直感的なコンフィギュレーション
- SMBus/PMBus v1.3互換、最大2MHzバス・インターフェース、NVMにより最大8つのコンフィギュレーションを保存可能
- 鉛フリー(RoHS対応)
説明
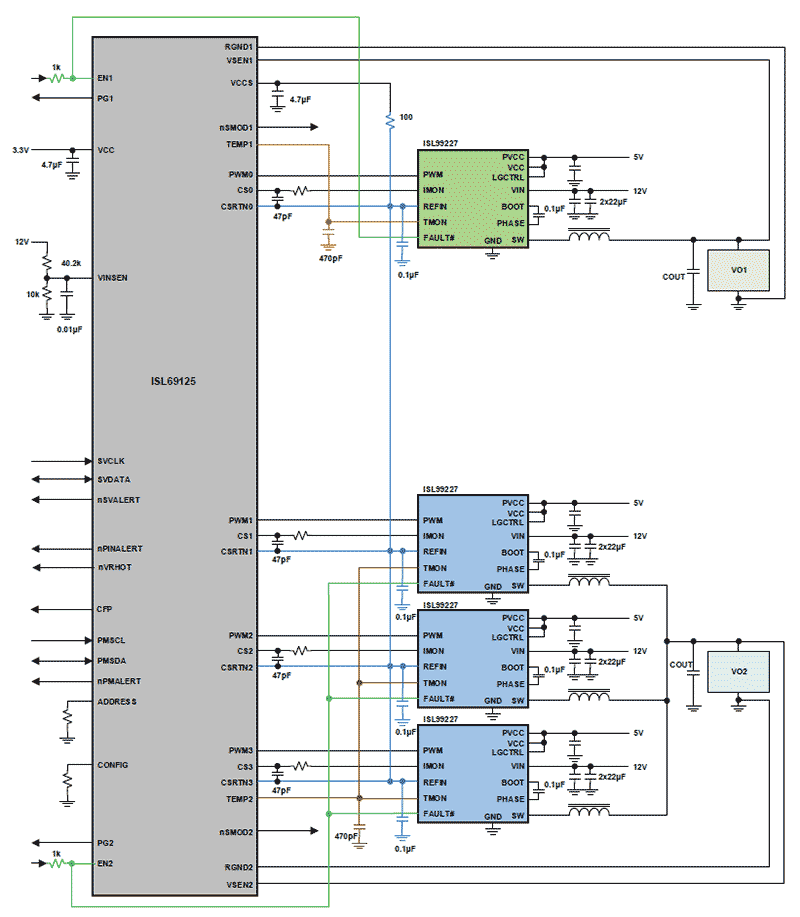
ISL69125はIntel VR13仕様に準拠したデジタルデュアル出力、フレキシブルな多相(X+Y≤4)PWMコントローラです。このデジタル多相コントローラは、2つの出力(XとY)で最大4相までの任意の位相割り当てをサポートするように構成できます。例えば、3+1、2+2、あるいは4+0構成として単一出力動作もサポートされます。PMBusおよびSVIDインタフェースとともに柔軟なX+Y≦4相の割り当てが可能なため、Intel VR13プラットフォームのマイクロプロセッサ・コア、メモリ、システム・レールの制御に最適です。ISL69125はルネサス独自のデジタル・リニア合成電流変調方式を採用し、最新世代のIntelマイクロプロセッサの電源供給の課題に対応しながら、過渡応答とチューニングの容易さという業界最高の組み合わせを実現しています。デバイスのコンフィギュレーションとテレメトリー監視は、直感的なPowerNavigatorソフトウェアを使用して行います。ダイオード・エミュレーションと自動フェーズ可算/ドロップ機能により、負荷条件に関係なくコンバータから最大効率を引き出すことができます。ISL69125は高信頼性システムの設計を可能にする包括的な故障管理システムをサポートしています。ピークおよびアベレージ検出を含む過電流保護スキームから、設定可能なパワーグッドおよび異常故障保護フラグまで、あらゆるニーズに対応します。最小限の外付け部品、8つのコンフィギュレーションを保存する機能、堅牢なフォルト管理、高精度のレギュレーション機能により、高性能多相レギュレータの実装がかつてないほど容易になりました。
パラメータ
| 属性 | 値 |
|---|---|
| Outputs (Max) (#) | 2 |
| Phases (Max) | 4 |
| Input Voltage (Min) (V) | 4.5 |
| Input Voltage (Max) (V) | 25 |
| Output Voltage (Max) (V) | 3.05 |
| Output Current (Max) [Rail 1] (A) | 240 |
| Bias Voltage Range (V) | 3.3 - 3.3 |
| Parametric Applications | Core and memory for Intel VR13 based designs, High performance server core and memory rails, High performance graphics rails, Networking, data center, storage, and general purpose |
| Qualification Level | Standard |
| Temp. Range (°C) | -40 to +85°C |
パッケージオプション
| Pkg. Type | Pkg. Dimensions (mm) | Lead Count (#) | Pitch (mm) |
|---|---|---|---|
| TQFN | 5.0 x 5.0 x 0.75 | 40 | 0.4 |
適用されたフィルター
読込中