メインコンテンツに移動

特長

  • 4.5V to 30V input supply range
  • Up to 2A output current
  • Integrated high-side (125mΩ) and low-side (75mΩ) MOSFETs
  • 400μA quiescent current
  • Minimum on-time of 70ns & Minimum off-time of 225ns
  • 0.765V reference voltage with 2% accuracy
  • PFM mode under light load condition
  • Current mode Constant On-Time (COT) control with internal compensation
  • Internal 0.8ms soft start time
  • Protection: Low-Side Overcurrent (LSOC) limit, input Undervoltage Lockout (UVLO), Over-Temperature Protection (OTP), Output Undervoltage Protection (OUVP) with Hiccup Mode
  • Accurate EN threshold
  • 6 LD TSOT23 package

説明

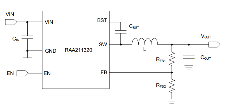
The RAA211320 is an integrated 30V, 2A synchronous buck regulator with current mode constant on-time (COT) control. The RAA211320 features comprehensive protection including input undervoltage lockout (UVLO), overcurrent protection (OCP), output undervoltage protection (OUVP), and over-temperature protection (OTP).

パラメータ

属性
Topology [Rail 1] Buck
Outputs (#) 1
Input Voltage (Min) [Rail 1] (V) 4.5
Input Voltage (Max) [Rail 1] (V) 30 - 30
Output Voltage (Min) [Rail 1] (V) 0.765
Output Voltage (Max) [Rail 1] (V) 16
Output Current (Max) [Rail 1] (A) 2
Switching Frequency Range (Typical) (kHz) 475 - 475
Control Type COT
Peak Efficiency (%) 96
IQ [Rail 1] (µA) 400
SYNCH Capability No
Qualification Level Standard
Temp. Range (°C) -55 to +125°C
Simulation Model Available iSim

パッケージオプション

Pkg. Type Pkg. Dimensions (mm) Lead Count (#) Pitch (mm)
TSOT 2.9 x 1.6 x 0.87 6 1

アプリケーション・ブロック図

Ki Wireless Power Transceiver System (Tx) Block Diagram
Ki規格 ワイヤレスパワートランシーバシステム (Tx)
NFC、スマート制御、スケーラブルな設計を備えた高効率のKiワイヤレスパワートランシーバシステム(Tx)。
Level 2 EV Charger Block Diagram
レベル2 EV充電器
効率的なEV充電と管理のための高度な接続性を備えたモジュラEVSEシステム。
48V/3kW Motor Control for 2/3 Wheelers Block Diagram
48V/3kW 2/3 輪車用モータ制御
48V/3kWのモータ制御システムは、スケーラブルなインバータ設計、位相過電流障害検出、ASIL-B安全性を特長としています。
MIDI Linked Illumination Controller Block Diagram
MIDI連動イルミネーションコントローラ
MCU駆動のシステムは、MIDIを解釈してLEDを制御し、音楽と同期した照明を作成します。
Interactive block diagram of a highly secure drug delivery system features an NFC authentication and rich connectivity.
NFC認証と豊富なコネクティビティを備えた安全性の高いドラッグデリバリシステム
適切な投薬と送達のための精密な投与と安全機能を備えた安全なドラッグデリバリシステム。
Smart Compost Maker Block Diagram
スマート堆肥メーカー
Wi-Fi、モータドライブ、タッチコントロールを特徴とするスマート堆肥メーカー設計により、迅速かつ効率的なプロトタイピングを実現します。
Interactive block diagram of the WXGA single display HMI platform features RGB and MIPI video outputs with 2D graphics, powered by an Arm Cortex-M85 MCU.
ハイエンドの機能豊富なHMIプラットフォーム
ディスプレイ解像度、オーディオ、スピーカなどの豊富な機能をサポートする柔軟なHMIプラットフォーム。

その他アプリケーション

  • General purpose
  • Industrial power supplies
  • Embedded systems and I/O supplies

適用されたフィルター

Renesas’ RAA211230/320 family of synchronous buck regulators are integrated with current mode constant on-time (COT) control which enables fast transient response while shrinking the output filter size. Visit renesas.com/cot-regulators to learn more about how these high performance, compact and pin-compatible COT regulators will make designing your power supply easy!