特長
- Renesas Rad Tolerant Screening and QCI Flow(技術概要はこちら)を取得
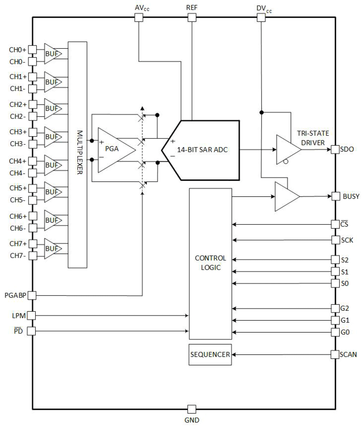
- 8つのバッファ付き差動アナログ入力チャネル(マルチプレクサ付き)
- 選択ゲインを備えたバイパスPGA(1≤G≤16)
- フル差動バイポーラ動作
- チャンネル・スキャン・シーケンサ
- データ遅延のないフルスループットレート
- 優れた直線性:±0.2LSB DNL、±0.4LSB INL
- 低ノイズ:83.2dBFS (PGAバイパス)、77dBFS SNR (PGA利得 = 2)
- 5V AV CC電源および2.5V/3.3VDV CC電源
- アナログ入力インピーダンス:>1GΩ、<5pF
- 50MHz-3dBの広帯域入力幅
- 低サンプル・レートでの低消費電力モード動作
- 高速SPI互換シリアルI/O
- 軍用温度範囲動作TA = -55°C〜+125°C
- TID放射ロット受入試験(LDR:0.01rad(Si)/s)
- ISL71148M30NZ:30krad(Si)
- ISL71148M50NZ:50krad(Si)
- SEE特性評価
- 46MeV•cm 2/mgでAV CC =6.2V、DVCC = 4.6V、およびVREF = 3.6Vの場合、DSEEなし
- SEFI <3.1μm2 at 46MeV•cm2/mg
説明
ISL71148Mは、耐放射線8チャネル高精度14ビット、900/480kspsのSAR A/Dコンバータ(ADC)です。 ADCコアの前には、8つのフル差動アナログ入力チャンネル、バッファ付き8:1マルチプレクサ、プログラマブル・ゲイン・アンプ(PGA)があります。 このデバイスは、900ksps動作時のピークSNRが83.2dBFSです。 PGAをイネーブルすると、最大480kspsのサンプリングレートがサポートされます。 PGAのバイパスにより、サンプルレートを900kspsにひき上げることができます。
この製品の特長としては、900/480kspsのスループット、データ遅延なし、優れた直線性、および動的精度などがあります。 このISL71148Mは、デジタルI/O電源ピンにより、2.2V〜3.6Vでのロジックをサポートする高速SPI互換シリアルインタフェースを提供します。 このデバイスは、48ピンTQFP(Thin Quad Flat-Pack)スペース・プラスチックパッケージを採用しています。
このISL71148Mは、低サンプル・レートで消費電力を低減する、低消費電力モード(LPM)ピンを備えています。 2.4V〜2.6Vの入力をサポートする外部リファレンスによって、アナログ入力信号の範囲が決まってきます。
パラメータ
| 属性 | 値 |
|---|---|
| Rating | Space |
| ADC | SAR |
| Analog Supply Voltage (V) | 4.5 - 5.5 |
| Channels (#) | 8 |
| Conversion Rate (Max) (kSPS) | 900 |
| Differential NonLinearity LSB | 0.2 |
| Integral NonLinearity LSB | 0.4 |
| Power Consumption (mW) | 90 |
| Resolution (bits) | 14 |
| SFDR (dBs) | 100 |
| Shutdown Mode | No |
| Temp. Range (°C) | -55 to +125°C |
| TID LDR (krad(Si)) | 30, 50 |
| DSEE (MeV·cm2/mg) | 43 |
| Flow | RT Plastic |
| Qualification Level | Radiation Tolerant Plastic |
| Die Sale Availability? | No |
| PROTO Availability? | No |
パッケージオプション
| Pkg. Type | Pkg. Dimensions (mm) | Lead Count (#) | Pitch (mm) |
|---|---|---|---|
| TQFP | 7.0 x 7.0 x 1.00 | 48 | 0.5 |
アプリケーション
- 高精度信号処理
- ペイロード推進システム
- ハイエンド産業用
- エンジン制御
- ダウンザホールドリル
適用されたフィルター
読込中