メインコンテンツに移動
ルネサス エレクトロニクス株式会社 (Renesas Electronics Corporation)

特長

  • Switch-Mode Power Converter for Lowest Dissipation
  • Boost PWM with >92% Efficiency
  • Selectable 13V or 18V Outputs
  • Digital Cable Length Compensation (1V)
  • Vsw tracks Vout ensures low dissipation
  • I2C Compatible Interface for Remote Device Control
  • Registered Slave Address 0001 00XX
  • Fully Functional 3.3V, 5V Operation up to 400kHz
  • Built-In Tone Oscillator Factory Trimmed to 22kHz
  • Facilitates DiSEqC™ (EUTELSAT) Encoding
  • External Modulation input DSQIN
  • Internal Over Temperature Protection and Diagnostics
  • Internal Overload and Over Temperature Flags (Visible on I2C)
  • Output Back-Bias Protection to 24V
  • LNB Short-Circuit Protection and Diagnostics
  • QFN Package
  • Compliant to JEDEC PUB95 MO-220 QFN - Quad Flat No Leads - Product Outline
  • Near Chip-Scale Package Footprint
  • External Pins to Select 13V/18V Options
  • Pb-Free Available (RoHS Compliant)

説明

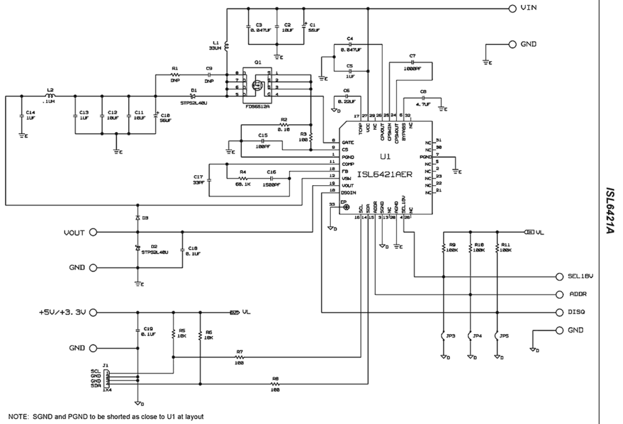
The ISL6421A is a highly integrated solution for providing power and control signals from advanced satellite set-top box (STB) modules to the low noise block (LNB). The internal architecture of this device contains a current-mode boost PWM and a low-noise linear regulator, along with the circuitry required for I2C device interfacing and for providing DiSEqC™ standard control signals to the LNB. A regulated output voltage is available at the output terminal (VOUT) to support the operation of the antenna port in advanced satellite STB applications. The regulated output may be set to either 13V or 18V by use of the voltage select command bit (VSEL) through the I2C bus. Additionally, to compensate for the voltage drop in the coaxial cable, the voltage may be increased by 1V with the line length compensation bit (LLC) feature. The device can be put into a standby mode by means of the enable bit (EN), this disables the PWM and Linear regulator combination and helps conserve power. The input to the linear regulator is derived from the current mode boost converter, such that the required voltage is the sum of the output voltage and the linear regulator drop (1. 0V typical). This ensures that the power dissipation is minimized and maintains a constant voltage drop across the linear pass element, while permitting an adequate voltage range for tone injection. The device is capable of providing 450mA (typical). The overcurrent limit is either digitally or resistor programmable.

アプリケーション

  • LNB Power Supply and Control for Satellite Set-Top Box

適用されたフィルター