メインコンテンツに移動
ルネサス エレクトロニクス株式会社 (Renesas Electronics Corporation)

特長

  • 1nV/√Hz input voltage noise
  • 1kHz THD+N typical 0.00017% at 2VP-P VOUT
  • Harmonic Distortion -87dBc, -90dBc, fo = 1MHz
  • 170MHz -3dB bandwidth
  • 50V/µs slew rate
  • 700µV maximum offset voltage
  • 10µA typical input bias current
  • 103dB typical CMRR
  • 3V to 5.5V single supply voltage range
  • Rail-to-rail output
  • Ground sensing
  • Enable pin (not available in the 8 Ld SOIC package option)
  • Pb-free (RoHS compliant)

説明

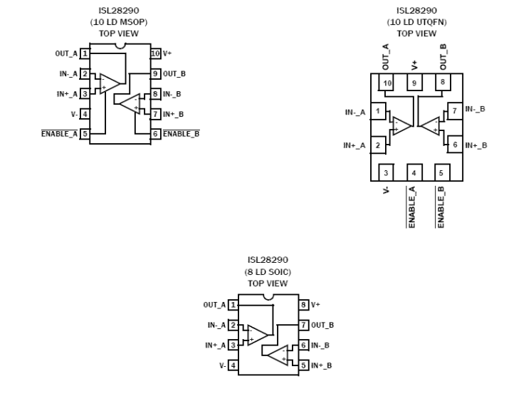
The ISL28290 is a dual ultra-low noise, ultra-low distortion operational amplifier that is fully specified to operate down to +3V single supply. The amplifier has outputs that swing rail-to-rail, and an input common mode voltage that extends below ground (ground sensing). The ISL28290 is unity gain stable with an input referred voltage noise of 1nV/√Hz. The part features 0.00017% THD+N at 1kHz. The ISL28290 is available in 10-lead UTQFN (1.8mm x 1.4mm), 10-lead MSOP, and 8-lead SOIC packages. Device operation is guaranteed over -40 °C to +125 °C.

アプリケーション

  • Low noise signal processing
  • Low noise microphones/preamplifiers
  • ADC buffers
  • DAC output amplifiers
  • Digital scales
  • Strain gauges/sensor amplifiers
  • Radio systems
  • Portable equipment
  • Infrared detectors

適用されたフィルター