特長
- PCIe Gen1–7 compliance
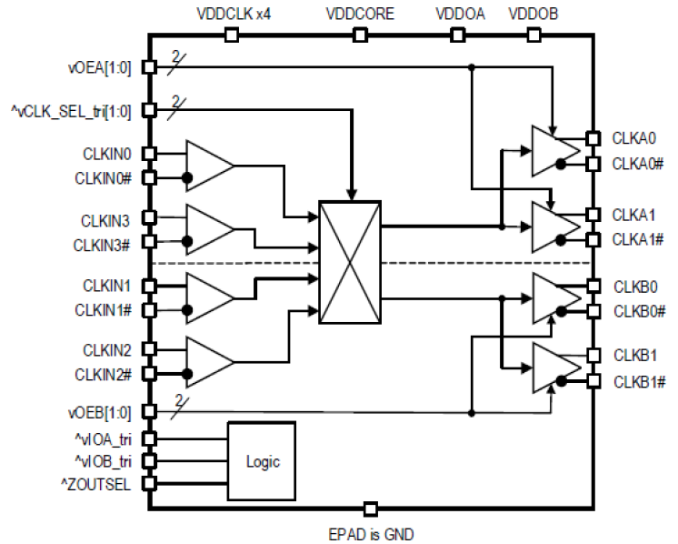
- Pin selectable 4:4 mode or dual 2:2 MUX mode
- Input frequency range: 1Hz to 350MHz
- Supports LVPECL, LVDS, HCSL, and LVCMOS input reference clocks
- Configuration strap pin option selecting output impedance of 100Ω or 85Ω for board space optimization
- Three pin-selectable output amplitudes per bank
- Flexible power supply voltage of 1.8V, 2.5V, or 3.3V
- -40 °C to +85 °C operating temperature range
- 5mm × 5mm 32-VFQFPN package; small board footprint
- Easy AC coupling to other logic families. See application note AN-891.
説明
The 9DML4493A is a Gen1–7 compliant 4-input, 4-output clock multiplexer. It can also operate as a dual 2-input, 2-output clock multiplexer. It has very low additive phase jitter and is suitable for all PCIe data rates. The device supports today's complex system power sequencing requirements with Power Down Tolerant (PDT) and Flexible Power Sequencing (FPS) features.
For information regarding evaluation boards and material, please contact your local Renesas sales representative.
パラメータ
| 属性 | 値 |
|---|---|
| Diff. Outputs | 4 |
| Diff. Output Signaling | LP-HCSL |
| Output Freq Range (MHz) | 1 - 200 |
| Diff. Inputs | 4 |
| Diff. Input Signaling | HCSL, LVPECL, LVDS, LVCMOS |
| Accepts Spread Spec Input | Yes |
| Power Consumption Typ (mW) | 124 |
| Supply Voltage (V) | 3.3 - 3.3, 2.5 - 2.5, 1.8 - 1.8 |
| Output Type | LP-HCSL |
| Diff. Termination Resistors | 0 |
| Package Area (mm²) | 16 |
| Battery Backup | No |
| Battery Seal | No |
| CPU Supervisory Function POR | No |
| Crystal Frequency Trimming | No |
| Frequency Out Pin | No |
| Inputs (#) | 4 |
| Input Freq (MHz) | 1.0E-6 - 350 |
| Additive Phase Jitter Typ RMS (fs) | 78 |
| Function | Multiplexer |
| Input Type | HCSL |
| Output Banks (#) | 2 |
| Core Voltage (V) | 3.3V, 2.5V, 1.8V |
| Output Voltage (V) | 3.3V, 2.5V, 1.8V |
パッケージオプション
| Pkg. Type | Pkg. Dimensions (mm) | Lead Count (#) | Pitch (mm) |
|---|---|---|---|
| VFQFPN | 5.0 x 5.0 x 0.9 | 32 | 0.5 |
アプリケーション
- Servers
- Storage
- Networking
- High-Performance computing
- Accelerators
適用されたフィルター
フィルター
ソフトウェア/ツール
サンプルコード
シミュレーションモデル
A detailed overview of IDT's full-featured PCI Express (PCIe) clock and timing solutions. The presentation addresses PCIe Gen 1, Gen 2, Gen 3, and Gen 4 architectures and how IDT's industry-leading solutions provide all the functions, features, and performance required by the application.
Presented by Ron Wade, System Architect at IDT. For more information visit the PCIe clocks page.
This is the first video in our PCIe series. In this video, we define PCIe architectures, focusing on common and separate clock architectures. Watch the rest of the video series below where Ron will cover the impact of different timing architectures.
In this episode, Ron Wade from IDT (acquired by Renesas) explains PCIe common clocking and its impact on timing solutions. Learn about using a single clock source, fan-out buffers, and the considerations for spread spectrum and non-spread spectrum clocking in PCIe systems.
In this video, we explore PCIe with separate reference clocks and the effects of clock selection. Learn how separate reference clocks work and their impact on system performance and stability.
This video provides a high-level overview of Separate Reference Clock with Independent Spread (SRIS) architectures for PCI Express systems, additional performance requirements that this clocking architecture imposes on the reference clocks, and some system implications encountered trying to implement the architecture.
An overview of IDT's full-featured PCI Express (PCIe) clock zero-delay buffers and fanout buffers addressing PCIe Gen 1, Gen 2, Gen 3, and Gen 4.
Presented by Ron Wade, System Architect at IDT.
An overview of PCI Express applications and how IDT's industry-leading portfolio of PCIe clock products addresses the requirements. The video briefly discusses PCIe riser cards, embedded SOC, and PCIe storage (NVME) examples.
Presented by Ron Wade, System Architect at IDT.
A brief overview of how data rates have changed from PCI Express (PCIe) Generation 1, Gen 2, Gen 3, Gen 4 and Gen 5.
Presented by Ron Wade, system architect at IDT. For more information about IDT's PCIe timing solutions, visit the PCI Express (PCIe) Clocks page.
A brief overview of how clock and timing specifications have changed from PCI Express (PCIe) Generation 1, Gen 2, Gen 3, Gen 4 and Gen 5.
Presented by Ron Wade, system architect at IDT (acquired by Renesas). For more information, visit Renesas's PCIe Timing Solutions page.
A brief overview of the PCI Express common clock (CC) jitter model, and the transfer functions as they relate to the timing PLLs. This model applies to PCI Express (PCIe) Gen 2, Gen 3, Gen 4 and Gen 5. The equations would be slightly different for other PCIe architectures, such as SRIS, SRnS, or data clocked.
Presented by Ron Wade, system architect at IDT (acquired by Renesas). For more information about Renesas's PCIe timing solutions, visit the PCI Express (PCIe) Clocks page.
This video compares PCIe Gen3–7 common clock jitter filters with a typical 12kHz to 20MHz plot to highlight the differences in filtering approaches.