メインコンテンツに移動
ルネサス エレクトロニクス株式会社 (Renesas Electronics Corporation)

特長

  • One differential 3.3V LVPECL output
  • One CLK, nCLK input pair
  • CLK, nCLK pair can accept the following differential input levels: LVPECL, LVDS, LVHSTL, SSTL, HCSL
  • Maximum clock input frequency: 1GHz
  • Translates any single ended input signal (LVCMOS, LVTTL, GTL) to LVPECL levels with resistor bias on nCLK input
  • Part-to-part skew: 300ps (maximum)
  • Propagation delay: 2.1ns (maximum)
  • LVPECL mode operating voltage supply range: VCC = 3.0V to 3.465V, VEE = 0V
  • -40°C to 85°C ambient operating temperature
  • Available in lead-free RoHS compliant package

説明

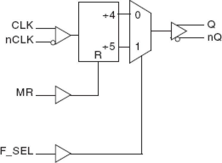
The 87354I is a high performance ÷4/÷5 Differential-to-3.3V LVPECL Clock Generator. The CLK, nCLK pair can accept most standard differential input levels. The 87354I is characterized to operate from a 3.3V power supply. Guaranteed output and part-to-part skew characteristics make the 87354I ideal for those clock distribution applications demanding well defined performance and repeatability.

適用されたフィルター