As the world experiences an unprecedented surge in power demand, designers are continually challenged to provide higher power levels with greater efficiency in smaller system sizes across a spectrum of personal devices, AI infrastructure, solar energy, battery systems, motors, and vehicles. Gallium nitride (GaN), with its superior semiconductor properties, is enabling the revolution with a true renaissance in power electronics fueled by the advent of the fastest and smallest power switches ever made.
High-voltage GaN bidirectional switches (BDS) enable more efficient, compact, and cost-effective power converters by allowing current conduction and blocking in both directions within a single device. These switches support innovative single-stage power converter topologies, reducing component count and improving efficiency across applications like AI data center infrastructure, solar microinverters, battery systems, and automotive onboard chargers.
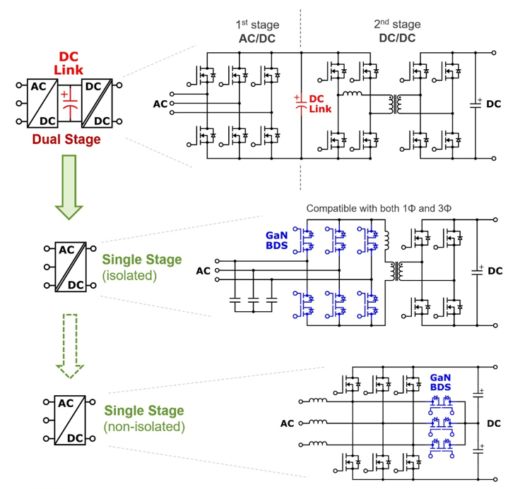
Single-Stage Power Conversion
Using Renesas GaN BDS, designers can eliminate traditional two-stage AC/DC converters with electrolytic DC-link capacitors, enabling single-stage topologies with fewer components, lower weight, and higher efficiency. These topologies support bidirectional energy flow, useful for both AC/DC conversion and DC/AC inverters. The devices also enable non-isolated multi-level T-type Neutral Point Clamp (T-NPC) topologies, such as Vienna rectifiers, which have lower conduction losses and are suitable for three-phase AI infrastructure and motor drives, offering bidirectional flow and reduced EMI.

Renesas' TP65B110HRU 650V, 110mΩ, high-voltage GaN bidirectional switch blocks both positive and negative currents in one device, enabling single-stage power conversion with fewer components and higher efficiency compared to traditional unidirectional silicon or SiC switches. This reduces switch count and eliminates the need for intermediary DC-link capacitors in solar microinverters, achieving over 97.5% power efficiency based on California Energy Commission (CEC) standards.
These innovative D-mode GaN BDS products feature a 650V continuous voltage rating, low on-resistance, top-side cooled surface-mount packages with integrated silicon MOSFETs, and compatibility with standard gate drivers. For designers, driving D-mode GaN devices is as simple as driving silicon MOSFETs, with standard drivers and simple gate resistors. This is a significant contrast with E-mode GaN, which needs extra components that add extra board space, along with higher BOM cost and drive losses.

The GaN BDSs demonstrate fast switching speeds with clean waveforms and high efficiency (up to 97.5% in solar microinverters). They are qualified to JEDEC and additional GaN-specific reliability standards, including AC and DC bias tests, ensuring robustness for industrial and automotive applications. You can read more about performance testing and qualification in the evaluation board user manual and GaN BDS technology white paper.
Evaluate the new switches for yourself with the GaN BDS evaluation board to test different drive options, detect AC zero crossings, and implement ZVS soft switching. We’ve also created system-level solutions combining the GaN BDS with other compatible components for optimized, low-risk designs to accelerate time to market in a range of power electronics applications, including a 500W solar microinverter, 3.6kW power factor correction (PFC) Vienna rectifier, as well as a range of single-stage home appliances.
Explore the TP65B110HRU GaN Bidirectional Switch and its applications in high-efficiency power systems, and read our white paper for more information on the architecture design and advantages of deploying this technology.
ニュース&各種リソース
ニュース 2026年3月23日 |
