Skip to main content
Renesas Electronics Corporation

Features

  • Proprietary phase doubler scheme
  • Enhanced light- to full-load efficiency
  • Double or quadruple phase count
  • Patented current balancing with DCR current sensing and adjustable gain
  • Current monitoring output (IOUT) to simplify system interface and layout
  • Triple-level enable input for mode selection
  • Dual PWM output drives for two synchronous rectified bridges with single PWM input
  • Channel synchronization and two interleaving options
  • Support 3.3V PWM input
  • Support 5V PWM output
  • Compatible with DCR sensing or smart power stage sensing
  • Tri-state PWM input and outputs for output stage shutdown
  • Overvoltage protection
  • Dual Flat No-lead (DFN) package
  • Near chip-scale package footprint; improves PCB utilization, thinner profile
  • Pb-free (RoHS compliant)

Description

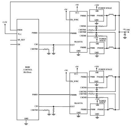
The ISL6617A uses Intersil’s proprietary Phase Doubler scheme to modulate two-phase power trains with single PWM input. It doubles the number of phases that 3. 3V multiphase controllers can support. The ISL6617A is designed to minimize the number of analog signals that interface between the controller and drivers in high phase count scalable applications. The common COMP signal, which is usually seen in conventional cascaded configurations, is not required; this improves noise immunity and simplifies the layout. Furthermore, the ISL6617A provides low part count and low cost advantage over the conventional cascaded technique. By cascading the ISL6617A with another ISL6617 or ISL6611A, it can quadruple the number of phases that 3. 3V multiphase controllers can support. The ISL6617A also features tri-state inputs and outputs that recognize a high-impedance state, working together with Intersil multiphase PWM controllers and driver stages to prevent negative transients on the controlled output voltage when operation is suspended. This feature eliminates the need for the Schottky diode that may be utilized in a power system to protect the load from excessive negative output voltage damage.

Applied Filters: