Skip to main content
Renesas Electronics Corporation

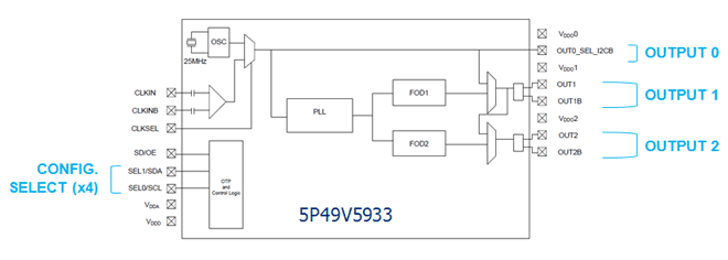
5P49V5933 (VersaClock® 5) Custom Part Configuration Utility

The 5P49V5933 features an integrated 25 MHz crystal, redundant external clock input, and two programmable outputs. The device can store up to four configurations selectable using the SEL pins. Use the form below to configure outputs for each configuration used.

IMPORTANT NOTE: In order to minimize sample delivery times, all outputs will be configured to provide RMS phase jitter performance of 1.5 ps or less (12 kHz to 20 MHz integration range). If lower phase jitter is required, please provide the requirements in the comment box located at the bottom of this form.

Block Diagram

diagram

Timing Commander Configuration File Upload (optional)

Use this form to upload your Timing Commander configuration file for the 5P49V5933 part. This will disable the configurator below. The datasheet addendum will be provided by Renesas after review.

Configuration File (.tcs) Uploader

Global Configuration

Choose the number of configurations to program into the part. It will support up to four different configurations selectable using the SEL pins. Configurations
Selects the I2C address of the device. Up to 2 addresses are supported, allowing use of more than one VersaClock 5 on the same I2C bus. I2C Address
Selects the function of the SD/OE pin: either Shutdown or Output Enable. Selects the default status of the output (on or off) at startup. SD / OE Function
If SD/OE pin is set as Output Enable, this setting determines the polarity of the input pin (active High or active Low.) SD / OE Polarity

Configuration 0

Input

Input frequency to the device when using a external differential input clock. Valid range is 1 MHz-to-350 MHz. Leave this setting at 25 MHz if not planning to use an external clock. Input Frequency CLKIN (MHz)

Input Configuration Defines the behavior of the CLKSEL pin when Low, Open, and High. The CLKSEL input pin selects either the crystal input or the differential clock input. Note that the differential clock input can be wired to accept single-ended signals.

Input when CLKSEL = LOW or OPENInput when CLKSEL = HIGH
Integrated crystal as inputNone (differential clock input disabled)
Integrated crystal as inputDifferential clock input
Differential clock inputIntegrated crystal as input

Output

ParameterOutput 0 (Buffer)Output 1Output 2
Output frequency. Valid range is 1 MHz-to-200 MHz for single-ended signaling and 1 MHz-to-350 MHz for differential signaling. Frequency (MHz)
Selects the default status of the output (on or off) at startup. This status can be modified in operation by I²C or OE/SD (depending on configuration). Selecting 'Unused Output\' completely disables the output and associated circuitry. When OE is OFF, the outputs are OFF. Output Enable

Selects output type of Output x. Available options are differential signalling (LVDS, LVPECL, HCSL) or single-ended (LVCMOS: first output of bank active, second output of bank active, or both outputs active either in phase or 180 degrees out of phase).

Note: HCSL and LVPECL outputs support a VDDO Voltage of 2.5 V or 3.3 V only. Selects output type of Output x. Available options are differential signalling (LVDS, LVPECL, HCSL) or single-ended (LVCMOS: first output of bank active, second output of bank active, or both outputs active either in phase or 180 degrees out of phase).

Output Type

Power supply voltage (VDDO) of output. Determines the output signal's high and low voltages.

Note: 1.8 V is not compatible with HCSL or LVPECL Output Type. Power supply voltage (VDDO) of output x. Determines the output signal's high and low voltages.

Voltage (V)
Enables spread spectrum on output, either as down spread (frequency modulation is below output nominal frequency), or as center spread (frequency modulation is below and above output nominal frequency). Spread Spectrum
The rate at which the output frequency is modulated over the selected spread percentage. Spread Modulation Freq (kHz)
Selects the amount of spread spectrum modulation on output. Valid ranges are -0.5% to -5% for down spread, and ±0.25% to ±2.5% for center spread. Spread (%)
Enables a reduced slew rate on output down to 0.8x the nominal rate. Slew Rate
Selects phase shift of output in relation to other outputs. Enter the number of degrees from 0 to 360. Phase shift (Degrees)

Configuration 1

Copy from Configuration 0

Input

Input frequency to the device when using a external differential input clock. Valid range is 1 MHz-to-350 MHz. Leave this setting at 25 MHz if not planning to use an external clock. Input Frequency CLKIN (MHz)

Input Configuration Defines the behavior of the CLKSEL pin when Low, Open, and High. The CLKSEL input pin selects either the crystal input or the differential clock input. Note that the differential clock input can be wired to accept single-ended signals.

Input when CLKSEL = LOW or OPENInput when CLKSEL = HIGH
Integrated crystal as inputNone (differential clock input disabled)
Integrated crystal as inputDifferential clock input
Differential clock inputIntegrated crystal as input

Output

ParameterOutput 0 (Buffer)Output 1Output 2
Output frequency. Valid range is 1 MHz-to-200 MHz for single-ended signaling and 1 MHz-to-350 MHz for differential signaling. Frequency (MHz)
Selects the default status of the output (on or off) at startup. This status can be modified in operation by I²C or OE/SD (depending on configuration). Selecting 'Unused Output\' completely disables the output and associated circuitry. When OE is OFF, the outputs are OFF. Output Enable

Selects output type of Output x. Available options are differential signalling (LVDS, LVPECL, HCSL) or single-ended (LVCMOS: first output of bank active, second output of bank active, or both outputs active either in phase or 180 degrees out of phase).

Note: HCSL and LVPECL outputs support a VDDO Voltage of 2.5 V or 3.3 V only. Selects output type of Output x. Available options are differential signalling (LVDS, LVPECL, HCSL) or single-ended (LVCMOS: first output of bank active, second output of bank active, or both outputs active either in phase or 180 degrees out of phase).

Output Type

Power supply voltage (VDDO) of output. Determines the output signal's high and low voltages.

Note: 1.8 V is not compatible with HCSL or LVPECL Output Type. Power supply voltage (VDDO) of output x. Determines the output signal's high and low voltages.

Voltage (V)
Enables spread spectrum on output, either as down spread (frequency modulation is below output nominal frequency), or as center spread (frequency modulation is below and above output nominal frequency). Spread Spectrum
The rate at which the output frequency is modulated over the selected spread percentage. Spread Modulation Freq (kHz)
Selects the amount of spread spectrum modulation on output. Valid ranges are -0.5% to -5% for down spread, and ±0.25% to ±2.5% for center spread. Spread (%)
Enables a reduced slew rate on output down to 0.8x the nominal rate. Slew Rate
Selects phase shift of output in relation to other outputs. Enter the number of degrees from 0 to 360. Phase shift (Degrees)

Configuration 2

Copy from Configuration 0

Input

Input frequency to the device when using a external differential input clock. Valid range is 1 MHz-to-350 MHz. Leave this setting at 25 MHz if not planning to use an external clock. Input Frequency CLKIN (MHz)

Input Configuration Defines the behavior of the CLKSEL pin when Low, Open, and High. The CLKSEL input pin selects either the crystal input or the differential clock input. Note that the differential clock input can be wired to accept single-ended signals.

Input when CLKSEL = LOW or OPENInput when CLKSEL = HIGH
Integrated crystal as inputNone (differential clock input disabled)
Integrated crystal as inputDifferential clock input
Differential clock inputIntegrated crystal as input

Output

ParameterOutput 0 (Buffer)Output 1Output 2
Output frequency. Valid range is 1 MHz-to-200 MHz for single-ended signaling and 1 MHz-to-350 MHz for differential signaling. Frequency (MHz)
Selects the default status of the output (on or off) at startup. This status can be modified in operation by I²C or OE/SD (depending on configuration). Selecting 'Unused Output\' completely disables the output and associated circuitry. When OE is OFF, the outputs are OFF. Output Enable

Selects output type of Output x. Available options are differential signalling (LVDS, LVPECL, HCSL) or single-ended (LVCMOS: first output of bank active, second output of bank active, or both outputs active either in phase or 180 degrees out of phase).

Note: HCSL and LVPECL outputs support a VDDO Voltage of 2.5 V or 3.3 V only. Selects output type of Output x. Available options are differential signalling (LVDS, LVPECL, HCSL) or single-ended (LVCMOS: first output of bank active, second output of bank active, or both outputs active either in phase or 180 degrees out of phase).

Output Type

Power supply voltage (VDDO) of output. Determines the output signal's high and low voltages.

Note: 1.8 V is not compatible with HCSL or LVPECL Output Type. Power supply voltage (VDDO) of output x. Determines the output signal's high and low voltages.

Voltage (V)
Enables spread spectrum on output, either as down spread (frequency modulation is below output nominal frequency), or as center spread (frequency modulation is below and above output nominal frequency). Spread Spectrum
The rate at which the output frequency is modulated over the selected spread percentage. Spread Modulation Freq (kHz)
Selects the amount of spread spectrum modulation on output. Valid ranges are -0.5% to -5% for down spread, and ±0.25% to ±2.5% for center spread. Spread (%)
Enables a reduced slew rate on output down to 0.8x the nominal rate. Slew Rate
Selects phase shift of output in relation to other outputs. Enter the number of degrees from 0 to 360. Phase shift (Degrees)

Configuration 3

Copy from Configuration 0

Input

Input frequency to the device when using a external differential input clock. Valid range is 1 MHz-to-350 MHz. Leave this setting at 25 MHz if not planning to use an external clock. Input Frequency CLKIN (MHz)

Input Configuration Defines the behavior of the CLKSEL pin when Low, Open, and High. The CLKSEL input pin selects either the crystal input or the differential clock input. Note that the differential clock input can be wired to accept single-ended signals.

Input when CLKSEL = LOW or OPENInput when CLKSEL = HIGH
Integrated crystal as inputNone (differential clock input disabled)
Integrated crystal as inputDifferential clock input
Differential clock inputIntegrated crystal as input

Output

ParameterOutput 0 (Buffer)Output 1Output 2
Output frequency. Valid range is 1 MHz-to-200 MHz for single-ended signaling and 1 MHz-to-350 MHz for differential signaling. Frequency (MHz)
Selects the default status of the output (on or off) at startup. This status can be modified in operation by I²C or OE/SD (depending on configuration). Selecting 'Unused Output\' completely disables the output and associated circuitry. When OE is OFF, the outputs are OFF. Output Enable

Selects output type of Output x. Available options are differential signalling (LVDS, LVPECL, HCSL) or single-ended (LVCMOS: first output of bank active, second output of bank active, or both outputs active either in phase or 180 degrees out of phase).

Note: HCSL and LVPECL outputs support a VDDO Voltage of 2.5 V or 3.3 V only. Selects output type of Output x. Available options are differential signalling (LVDS, LVPECL, HCSL) or single-ended (LVCMOS: first output of bank active, second output of bank active, or both outputs active either in phase or 180 degrees out of phase).

Output Type

Power supply voltage (VDDO) of output. Determines the output signal's high and low voltages.

Note: 1.8 V is not compatible with HCSL or LVPECL Output Type. Power supply voltage (VDDO) of output x. Determines the output signal's high and low voltages.

Voltage (V)
Enables spread spectrum on output, either as down spread (frequency modulation is below output nominal frequency), or as center spread (frequency modulation is below and above output nominal frequency). Spread Spectrum
The rate at which the output frequency is modulated over the selected spread percentage. Spread Modulation Freq (kHz)
Selects the amount of spread spectrum modulation on output. Valid ranges are -0.5% to -5% for down spread, and ±0.25% to ±2.5% for center spread. Spread (%)
Enables a reduced slew rate on output down to 0.8x the nominal rate. Slew Rate
Selects phase shift of output in relation to other outputs. Enter the number of degrees from 0 to 360. Phase shift (Degrees)

Project Information

Comments / Special Requests

By submitting this form, you agree Renesas may share all or part of the above information, data and/or documents submitted by you within the Renesas group and third parties, such as distributors, for the purpose providing you with further information and service related to our products. If you do not want Renesas to share your information, do not click the submission button. Please see our Privacy Policy for further details.