Skip to main content

Features

  • 80 pin TQPF package Analog Video Decoder
  • NTSC (M, 4.43) and PAL (B,D, G, H, I, M, N,N combination), PAL (60),SECAM support with automatic format detection
  • Advanced synchronization processing for VCR fast forward, backward, and pause mode
  • Software selectable analog inputs
  • Up to five composite video inputs
  • Four composite, one S-video or one YCbCr input
  • Two composite, two S-Video or two YCbCr inputs
  • Three composite, one S-Video and one YCbCr inputs
  • Three 10-bit ADCs with analog clamping circuit and anti-aliasing filter built in Video Output
  • Supports both free-running and line-locked clock outputs
  • Programmable output cropping
  • High quality horizontal filtered scaling with arbitrary scale down ratio
  • VMI 1.4 compatible 10-bit or 20-bit pixel interface
  • ITU-R 601 or ITU-R 656 compatible output YCbCr(4:2:2) output format
  • VBI slicer supporting industrial standard data services with data packet filter capability Video Processing
  • Adaptive 4H comb filter for the best image quality
  • PAL delay line for color phase error correction
  • Digital sub-carrier PLL for accurate color decoding
  • Digital Horizontal PLL and advanced synchronization processing for non-standard video signals
  • Programmable hue, brightness, saturation, contrast, and sharpness
  • Blue stretch
  • Image enhancement with 2D peaking and CTI.
  • Automatic color control and color killer

Description

Support is limited to customers who have already adopted these products.

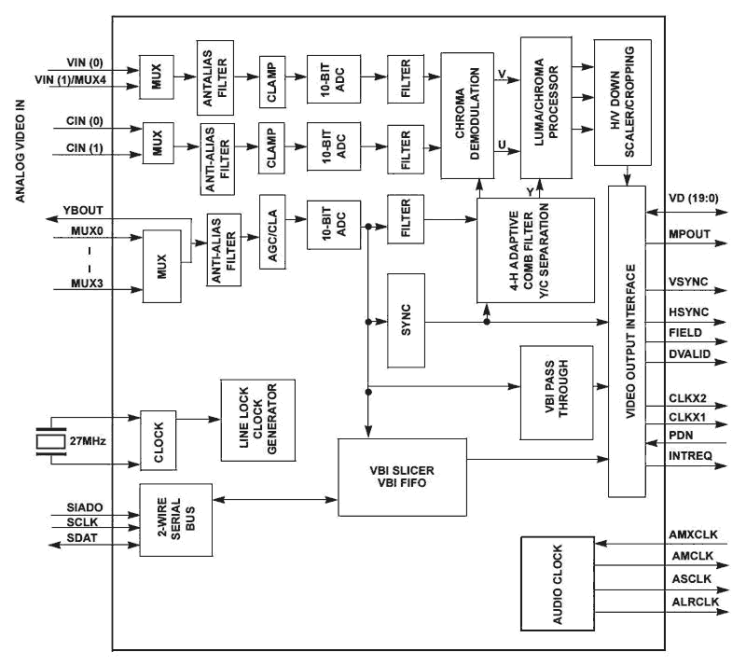
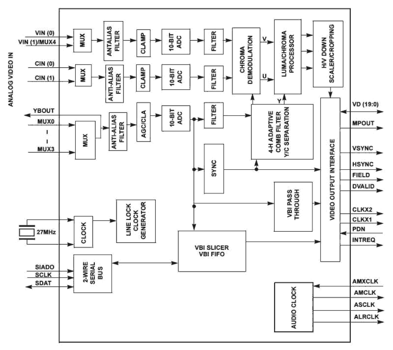
Techwell's TW9906 is a high quality NTSC/PAL/SECAM video decoder that is designed for multimedia applications. It uses the mixed-signal 2. 5V/3. 3V CMOS technology to provide a low-power integrated solution. The TW9906 analog front-end is equipped with three separate analog channels that enable it to accept all three possible analog video signal standards: composite, S-video or YCbCr component video. All channels include an analog multiplexer (MUX) for maximum flexibility in software controlled input selection. It is possible to connect up to five composite inputs at one time and allow the software to switch between them. Alternatively several combinations of composite inputs and S-Video component inputs may be switched under software control. (Four input channels of any format can be accommodated with but there is a maximum of 2 S-Video inputs or 2 component inputs. ) The front-end contains all the necessary circuits to simplify the system design. The built-in three high quality 10-bit analog-to-digital converters (ADCs) convert inputs into digital signals for processing. The TW9906 uses proprietary adaptive 4H comb filter for chroma and luma separation to achieve high video quality. The image enhancement includes horizontal and vertical peaking, CTI and BCS control. The advanced synchronization processing can produce stable pictures for non-standard signal such as those produced by VCR trick mode. The high quality scaler uses multi-tap poly-phase decimation filter to accurately scale down the image with minimum phase error. It can be programmed to scale-down the output picture to an arbitrary ratio with cropping. The TW9906 supports flexible pixel interface. It outputs YCbCr (4:2:2) data stream over 10-bit or 20-bit data path. It also supports both free-running clock and line- locked clock output. A 2-wire serial MPU interface is used to simplify system integration. All the functions can be controlled through this interface.

Applications

  • CRT, LCD,PDP and Projection TV
  • Multifunction LCD Monitor (Monitor TV)
  • DVD-Recorder
  • PC TV Capture Card
  • CCTV Digital Video Recorder

Applied Filters: