Skip to main content
Renesas Electronics Corporation

Features

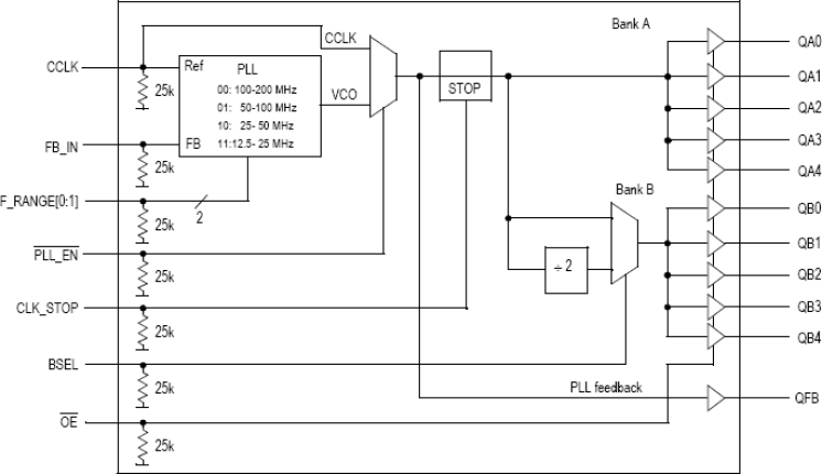
  • 1:10 outputs LVCMOS zero-delay buffer
  • Single 3.3 V supply
  • Supports a clock I/O frequency range of 12.5 to 200 MHz
  • Selectable divide-by-two for one output bank
  • Synchronous output enable control (CLK_STOP)
  • Output tristate control (output high impedance)
  • PLL bypass mode for low frequency system test purpose
  • Supports networking, telecommunications and computer applications
  • Supports a variety of microprocessors and controllers
  • Compatible to PowerQuicc I and II
  • Ambient Temperature Range -40°C to +85°C
  • 32-lead Pb-free Package Available

Description

The MPC9608 is a 3.3 V compatible, 1:10 PLL based zero-delay buffer. With a very wide frequency range and low output skews the MPC9608 is targeted for high performance and mid-range clock tree designs.

Applied Filters: