Skip to main content
Renesas Electronics Corporation

Features

  • A and C speeds
  • Low input and output leakage ?1 uA (max.)
  • CMOS power levels
  • True TTL input and output compatibility: – VOH = 3.3V (typ.) – VOL = 0.3V (typ.)
  • High Drive outputs (-15mA IOH, 48mA IOL)
  • Meets or exceeds JEDEC standard 18 specifications
  • Power off disable outputs permit "live insertion"
  • Available in 20 pin SOIC, QSOP

Description

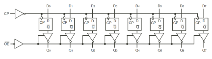
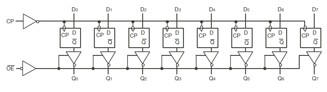
The 74FCT574T is an 8-bit register consisting of eight D-type flip-flops with a buffered common clock and buffered 3-state output control. When the output enable (OE) input is low, the eight outputs are enabled. When the OE input is high, the outputs are in the high-impedance state. The 74FCT574T operates at -40C to +85C. (For Mil version, see 54FCT574T)

Applied Filters: