Skip to main content
Account
English
English
English
中文
日本語
Samples
Cart
MyRenesas
Main navigation
Menu
Back
Products
Microcontrollers & Microprocessors
Amplifiers
ASIC & IP
Audio, Video & Display
Automotive Products
Clocks & Timing
Data Converters
Interface
Memory & Logic
Power Discretes
Power Management
Programmable Logic
Sensor Products
Space & Harsh Environment
Switches & Multiplexers
Wireless Connectivity
Cross-reference Search
Product Selector
Microcontrollers & Microprocessors
Close megamenu
Product Selector
RA Arm Cortex-M MCUs
Product Selector
RZ 32 & 64-Bit MPUs
Product Selector
RL78 Low-Power 8 & 16-Bit MCUs
Product Selector
RX 32-Bit Performance/Efficiency MCUs
Product Selector
RISC-V 32 & 64-Bit MCUs & MPUs
Product Selector
RH850 Automotive MCUs
Product Selector
Renesas Synergy™ Platform MCUs
Product Selector
Other MCUs & MPUs
Applications
Applications
Close megamenu
Automotive
Advanced Driver Assistance Systems (ADAS)
E-Mobility
Electric & Hybrid Vehicles (EV)
Infotainment Systems
Vehicle Control Systems
Communications Infrastructure
Cloud & Enterprise
Networking & Fixed Access
Wireless Infrastructure
Consumer Electronics
Cameras
Computing
Connected Home & Entertainment
Power Adapters & Chargers
Wearables
Industrial
Appliances
Building Automation
Industrial Automation
Medical & Healthcare
Metering
Motor Drives
Renewable Energy & Grid
Retail, Automation & Payment
Robotics
Key Technologies
Artificial Intelligence (AI)
Functional Safety
Gallium Nitride (GaN) Power
Human Machine Interface (HMI)
Motor Control
Security
Tracking & Locationing
USB
Design Resources
Design Resources
Close megamenu
Design & Development
Boards & Kits
Reference Designs
Development Tools
Software & Drivers
Packaging
Cross-Reference Search
Gadget Renesas Maker Resources
Content & Training
Documents & Downloads
Training & Tutorials
Videos
Webinars
Blog
Featured Tools
Renesas 365
QuickConnect Platform
Lab on the Cloud
PowerCompass Multi-Rail Design Tool
PowerNavigator
Timing Commander
Partners
Preferred Partner Program (Systems)
Renesas Ready Partner Network (Software)
R-Car Consortium
Support
Support
Close megamenu
Support Communities
Get help from our expert Renesas technical staff and community.
Analog
Microcontrollers
Microprocessors
Power Management
Wireless Connectivity
Technical Support
Knowledge Base
Support Tickets
Training & Events
Events
Training & Tutorials
Videos
Webinars
Quality & Packaging
Environmental Compliance
Packaging Information
Product Change Notifications
Product Life Cycle
Product Longevity Program
PSIRT
Quality & Reliability
Sample & Buy
Sample & Buy
Close megamenu
Buy Direct from Renesas
Customers can now choose the convenience of buying direct from Renesas.
Ordering Resources
Check Product Availability
Sample Ordering Information
Orderable Part Number Guide
End-of-Life (EOL) Products
Sales & Distributor Directory
Cross-Reference Search
About
About
Close megamenu
About Renesas
Company Information
Sustainability
Careers
Company Culture
Search for Jobs
Contact Us
Sales Support
Technical Support
Newsroom
News Releases
Blogs
Customer Success Stories
Investors
IR Materials
Financial Highlights
Financial Calendar
Stock Information
English
English
English
中文
日本語
Samples
Cart
MyRenesas
Search
Breadcrumb
Products
Memory & Logic
SRAMs
Asynchronous SRAMs
7164
7164
Obsolete
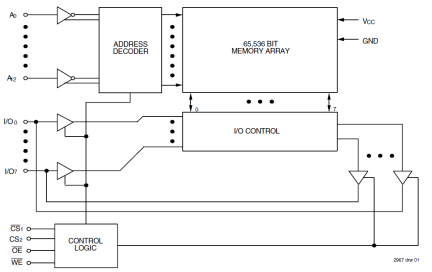
5.0V 8K x 8 Asynchronous Static RAM
Datasheet
Previous
Overview
Product Options
Documentation
Support
Next
Product Tree
Close product tree menu
Open product tree menu
Loading
Applied Filters:
Loading
Loading
Loading
Loading