Skip to main content

Features

  • 2.5V to 5.5V input
  • 1.5A, 0.18Ω integrated boost FET
  • VON/VOFF supplies generated by charge pumps driven by the boost switch node
  • LDO for VLOGIC channel
  • 600/1200kHz selectable switching frequency
  • Integrated gate pulse modulator
  • Reset signal generated by supply monitor
  • Integrated VCOM amplifier
  • DCP
  • I2C serial interface, address: 0101000, MSB left
  • Wiper position stored in 8-bit nonvolatile memory and recalled on power-up
  • Endurance, 1,000 data changes per bit
  • UVLO, UVP, OVP, OCP, and OTP protection
  • Pb-free (RoHS compliant)
  • 28 Ld 4x5 QFN

Description

Support is limited to customers who have already adopted these products.

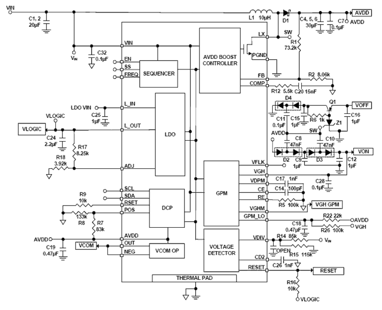
The ISL97649A is an integrated power management IC (PMIC) for TFT-LCDs used in notebooks, tablet PCs, and monitors. The device integrates a boost converter for generating AVDD, an LDO for VLOGIC. VON and VOFF are generated by a charge pump driven by the switch node of the boost. The ISL97649A also includes a VON slice circuit, reset function, and a high performance VCOM amplifier with DCP (Digitally Controlled Potentiometer) that is used as a VCOM calibrator. The AVDD boost converter features a 1. 5A/0. 18Ω boost FET with 600/1200kHz switching frequency. The logic LDO includes a 350mA FET for driving the low voltage needed by external digital circuitry. The gate pulse modulator can control the gate voltage up to 30V, and both the rate and slew delay times are selectable. The supply monitor generates a reset signal when the system is powered down. It provides a programmable VCOM with I2C interface. One VCOM amplifier is also integrated in the chip. The output of the VCOM is powered up with the voltage at the last programmed 8-bit EEPROM setting.

Applications

  • LCD notebook, tablet, and monitor

Applied Filters: