Skip to main content
Renesas Electronics Corporation

Features

  • 2.7V to 5.5V Input
  • 2.6A Integrated Boost for Up to 20V AVDD
  • Integrated VON Slice
  • RESET signal generated by Supply Monitor
  • 600kHz/1.2MHz fS
  • VCOM Amplifier
  • 30MHz BW
  • 50V/µs SR
  • 400mA Peak Output Current
  • UV and OT Protection
  • 24 Ld 4x4 QFN
  • Pb-Free (RoHS Compliant)

Description

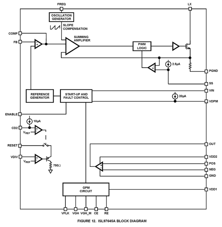
The ISL97645A represents an integrated DC/DC regulator for monitor and notebook applications with screen sizes up to 20. The device integrates a boost converter for generating AVDD, a VON slice circuit, and a high performance VCOM amplifier. The boost converter features a 2. 6A FET and has user programmable soft-start and compensation. With efficiencies up to 92%, the AVDD is user selectable from 7V to 20V. The VON slice circuit can control gate voltages up to 30V. High and low levels are programmable, as well as discharge rate and timing. The supply monitor can be used to monitor the input voltage to prevent low voltage operation. The integrated VCOM features high speed and drive capability. With 30MHz bandwidth and 50V/µs slew rate, the VCOM amplifier is capable of driving 400mA peaks, and 100mA continuous output current.

Applications

  • LCD Monitors (15"+)
  • Notebook Display (up to 16")

Applied Filters: