Skip to main content
Renesas Electronics Corporation

Features

  • Drives Up to 26V Output
  • Integrated over-voltage protection (OVP) of 14V, 18V, and 26V for various number of LEDs in series
  • PWM Dimming Control From DC to 32kHz
  • Output Disconnect Switch
  • Integrated Schottky Diode
  • 2.4V to 5.5V Input
  • 85% Efficiency
  • 1.4MHz Switching Frequency Allows Small LC
  • 1µA Shutdown Current
  • Internally Compensated
  • 8 Ld TDFN (2mmx3mm)
  • Pb-Free (RoHS Compliant)

Description

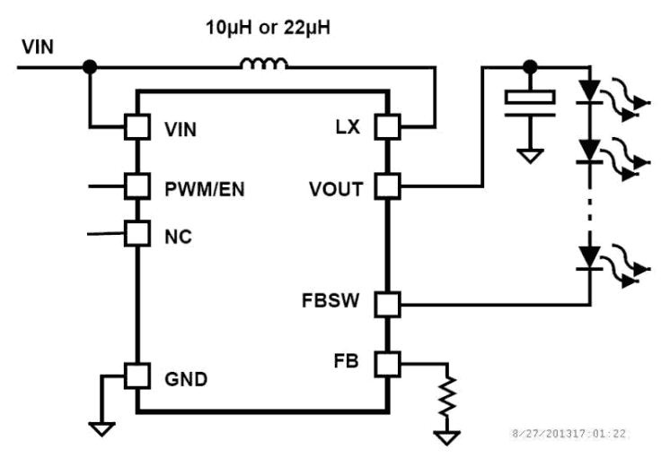
The ISL97634 represents an efficient and highly integrated PWM boost LED driver that is suitable for LED backlighting in small size LCD panels. With integrated Schottky diode, OVP, and wide range of PWM dimming capability, the ISL97634 provides a simple, reliable, and flexible solution to the backlight designers. The ISL97634 features a wide range of PWM dimming control capability. It allows dimming frequency as low as DC to 32kHz beyond audible spectrum. The ISL97634 also features a feedback disconnect switch to prevent the output from being modulated by the PWM dimming signal that minimizes system disturbance. The ISL97634 is available in the 8 Ld TDFN (2mmx3mm) package. There are 14V, 18V, and 26V OVP options that are suitable for various number of LEDs in series. The ISL97634 is specified for operation over the -40°C to +85°C ambient temperature at input voltage from 2. 4V to 5. 5V.

Applications

  • LED Backlighting for:
  • Cell phones
  • Smartphones
  • MP3
  • PMP
  • Automotive Navigation Panel
  • Portable GPS

Applied Filters: