Skip to main content

Features

  • >90% Efficiency
  • 2.0A, 200mΩ Power MOSFET
  • 2.3V to 5.5V Input
  • 1.1*VIN up to 25V Output
  • 600kHz/1.2MHz Switching Frequency Selection
  • Adjustable Soft-Start
  • Internal Thermal Protection
  • 1.1mm Max Height 8 Ld MSOP Package
  • Pb-Free (RoHS compliant)
  • Halogen Free

Description

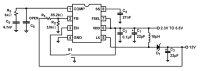
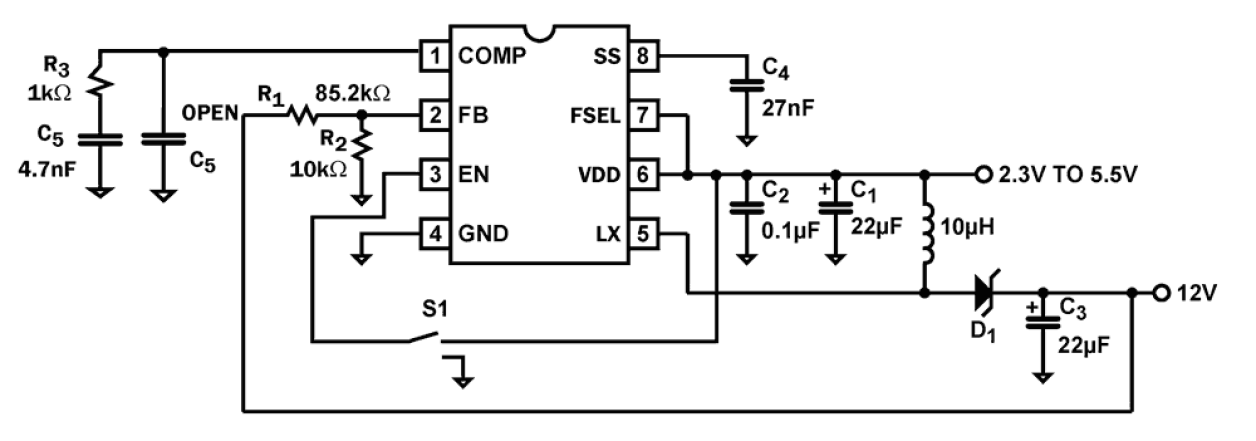
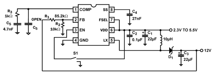
The ISL97519A is a high frequency, high efficiency step-up voltage regulator operated at constant frequency PWM mode. With an internal 2. 0A, 200mΩ MOSFET, it can deliver up to 1A output current at over 90% efficiency. Two selectable frequencies, 600kHz and 1. 2MHz, allow trade offs between smaller components and faster transient response. An external compensation pin gives the user greater flexibility in setting frequency compensation allowing the use of low ESR Ceramic output capacitors. When shut down, it draws <1µA of current and can operate down to 2. 3V input supply. These features, along with 1. 2MHz switching frequency, make it an ideal device for portable equipment and TFT-LCD displays. The ISL97519A is available in an 8 Ld MSOP package with a maximum height of 1. 1mm. The device is specified for operation over the full -40°C to +85°C temperature range.

Application Block Diagrams

Smart Water Actuator Block Diagram
Smart Water Actuator
Autonomous water valve system with LTE and solar power for leak response and remote irrigation.
Wireless Smart Door Lock Block Diagram
Smart Wireless Door Lock
NFC-charged smart lock with Bluetooth LE, secure pairing, and IoT control for easy, wire-free access.
Smart Water Shutdown Valve Block Diagram
Smart Water Shutdown Valve
Smart water shutdown system prevents water damage with auto shut-off, smart alerts, and solar-powered operation.

Additional Applications

  • TFT-LCD displays
  • DSL modems
  • PCMCIA cards
  • Digital cameras
  • GSM/CDMA phones
  • Portable equipment
  • Handheld devices

Applied Filters: