Skip to main content
Renesas Electronics Corporation

Features

  • Highly integrated power management IC
  • Efficient high frequency integrated FET switching regulators
  • Integrated regulators to produce core, graphics and system agent rails
  • Extensive fault protection
  • Overcurrent, overvoltage and over-temperature protection
  • Temperature alert signal
  • SVID I2C bus allows system fault monitoring, enable control
  • Output voltage offset programming through SVID I2C

Description

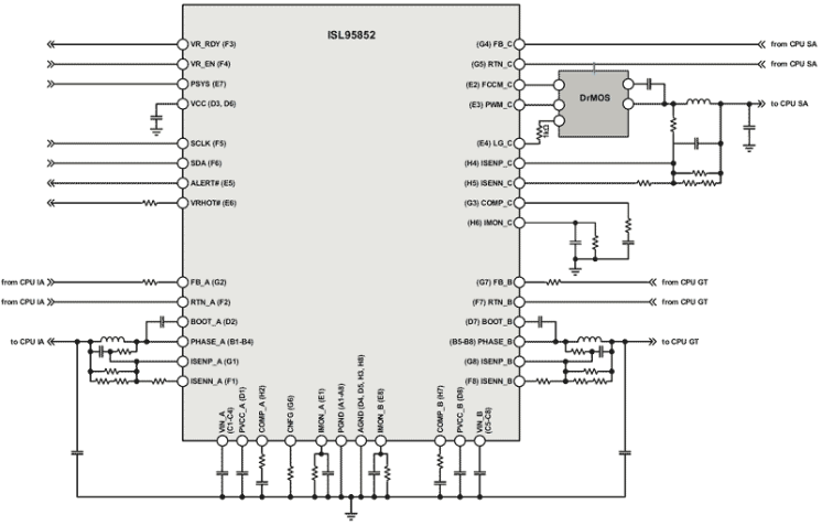
The ISL95852 is a Power Management Integrated Circuit (PMIC) for ultrabook, notebook and tablet computers powered by 2-cell Li-ion batteries. It integrates control, MOSFET drivers, power MOSFETs, fault protection and fault monitoring functions for three highly efficient synchronous buck regulators. Integrated into one package are the regulators for the core, graphics and system agent voltages. The ISL95852 is offered in a thermally efficient 4mm x 4mm, 64-bump, 0. 5mm pitch WLCSP package. The PMIC regulators convert the system voltage from a battery or adapter into the three necessary processor voltages required by Intel’s IMVP8 specifications. The switching regulators operate at high frequency and are based on Intersil’s proprietary R3™ Technology, which provides high light-load efficiency and fast transient response with minimal external compensation. The PMIC provides overcurrent, overvoltage and over-temperature fault protections. Also provided is a temperature alert signal indicating the PMIC is operating at elevated temperature and an ALERT signal indicates if any other fault or warning has occurred. The PMIC also offers I2C capability compatible with Intel’s SMBus specification.

Applied Filters: