Skip to main content
Renesas Electronics Corporation

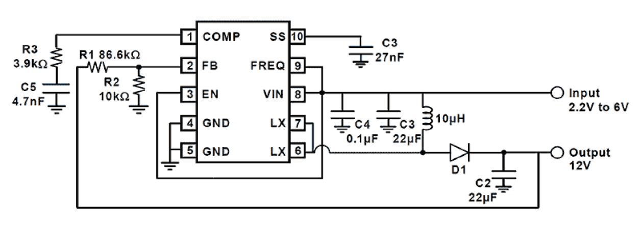
Features

  • 4.0A, low rDS(ON) integrated low-side MOSFET
  • +2.3V to +6.0V operating input voltage range
  • VOUT operating range: 1.1 * VIN to 24V
  • 640kHz or 1.22MHz switching frequency
  • High efficiency: 93% for 5VIN, 12VOUT at 0.5A
  • Adjustable soft-start
  • Internal thermal protection
  • 0.8mm maximum height 10 Ld TDFN package
  • Pb-free (RoHS compliant)
  • Halogen free
  • AEC-Q100 Grade 2: -40°C to +105°C

Description

The ISL78219 is a high frequency, high efficiency current-mode control non-synchronous step-up voltage regulator operated at a constant PWM switching frequency. It has an internal 4. 0A, 120mΩ low-side MOSFET and can deliver high output current and efficiency over 90%. The selectable 640kHz and 1. 22MHz switching frequencies provide faster transient response and allow the use of a smaller inductor. An external compensation pin provides flexibility in setting frequency compensation, allowing the use of low ESR small ceramic output capacitors. When in shutdown mode, the ISL78219 draws current at <1μA and can operate at as low as 2. 3V input. These features, along with higher switching frequency, allow use of tiny external components and minimize the overall PCB footprint. The ISL78219 is available in a 10 Ld TDFN package with a maximum height of 0. 8mm. The device is offered for AEC-Q100 Grade 2 operation with an ambient temperature range of -40°C to +105°C.

Applied Filters: