Skip to main content

Features

  • Precision Multiphase Core Voltage Regulation
  • Differential Remote Voltage Sensing
  • ±0.5% System Accuracy Over Life, Load, Line and Temperature
  • Adjustable Reference-Voltage Offset
  • Precision rDS(ON) or DCR Current Sensing
  • Integrated Programmable Temperature Compensation
  • Accurate Load-Line Programming
  • Accurate Channel-Current Balancing
  • Differential Current Sense
  • Low-Cost, Lossless Current Sensing
  • Internal Shunt Regulator for 5V or 12V Biasing
  • Microprocessor Voltage Identification Input
  • Dynamic VID™ technology
  • 6-Bit VID Input
  • 0.8375V to 1.600V in 12.5mV Steps
  • Threshold-Sensitive Enable Function for synchronizing with driver POR
  • Over Current Protection
  • Over-Voltage Protection
  • No Additional External Components Needed
  • OVP Pin to drive optional Crowbar Device
  • 2, 3, or 4 Phase Operation
  • Greater Than 1MHz Operation (> 4MHz Ripple)
  • Pb-free Available
  • QFN Package Option
  • QFN Compliant to JEDEC PUB95 MO-220 QFN - Quad Flat No Leads - Product Outline
  • QFN Near Chip Scale Package Footprint; Improves PCB Efficiency, Thinner in Profile

Description

Support is limited to customers who have already adopted these products.

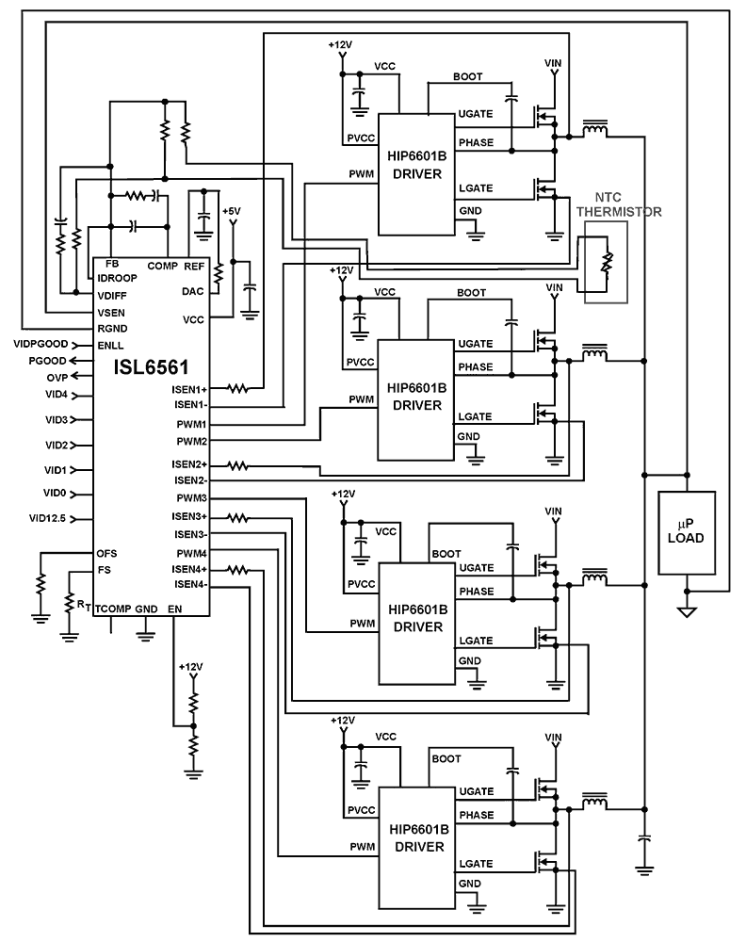
The ISL6561 controls microprocessor core voltage regulation by driving up to 4 synchronous-rectified buck channels in parallel. Multiphase buck converter architecture uses interleaved timing to multiply channel ripple frequency and reduce input and output ripple currents. Lower ripple results in fewer components, lower component cost, reduced power dissipation, and smaller implementation area. Microprocessor loads can generate load transients with extremely fast edge rates. The ISL6561 features a high bandwidth control loop and ripple frequencies of >4MHz to provide optimal response to the transients. today's microprocessors require a tightly regulated output voltage position versus load current (droop). The ISL6561 senses current by utilizing patented techniques to measure the voltage across the on resistance, rDS(ON), of the lower MOSFETs or DCR of the output inductor during the lower MOSFET conduction intervals. Current sensing provides the needed signals for precision droop, channel-current balancing, and over-current protection. The accuracy of the current-sensing metho d is enhanced by the ISL6561's temperature compensation function. Droop accuracy can be affected by increasing rDS(ON) or DCR with elevated temperature. The ISL6561 uses an internal temperature-sensing element to provide programmable temperature compensation. Correctly applied, temperature compensation can completely nullify the effect of rDS(ON) or DCR temperature sensitivity. A unity gain, differential amplifier is provided for remote voltage sensing. Any potential difference between remote and local grounds can be completely eliminated using the remote-sense amplifier. Eliminating ground differences improves regulation and protection accuracy. The thresholdsensitive enable input is available to accurately coordinate the start up of the ISL6561 with any other voltage rail. Dynamic-VID™ technology allows seamless on-the-fly VID changes. The offset pin allows accurate voltage offset settings that are independent of VID setting. The ISL6561 uses 5V bias and has a built-in shunt regulator to allow 12V bias using only a small external limiting resistor.

Applied Filters: