Skip to main content
Renesas Electronics Corporation

Features

  • Integrated Multi-Phase Power Conversion
  • 2-Phase or 1-Phase Operation with Internal Drivers
  • Precision Core Voltage Regulation
  • Differential Remote Voltage Sensing
  • ±0.5% System Accuracy Over Temperature
  • Adjustable Reference-Voltage Offset
  • Optimal Transient Response
  • Active Pulse Positioning (APP) Modulation
  • Adaptive Phase Alignment (APA)
  • Fully Differential, Continuous DCR Current Sensing
  • Integrated Programmable Current Sense Resistors
  • Accurate Load Line Programming
  • Precision Channel Current Balancing
  • Variable Gate Drive Bias: 5V to 12V
  • Multi-Processor Compatible
  • Intel VR11 Mode of Operation
  • AMD Mode of Operation
  • Microprocessor Voltage Identification Inputs
  • 8-Bit DAC
  • Selectable between Intel VR11, AMD 5-bit, and AMD 6-bit DAC tables
  • Dynamic VID Technology
  • Dynamic VID Compensation
  • Overcurrent Protection
  • Multi-tiered Overvoltage Protection
  • Digital Soft-Start
  • Selectable Operation Frequency up to 1.5MHz Per Phase
  • Pb-Free (RoHS Compliant)

Description

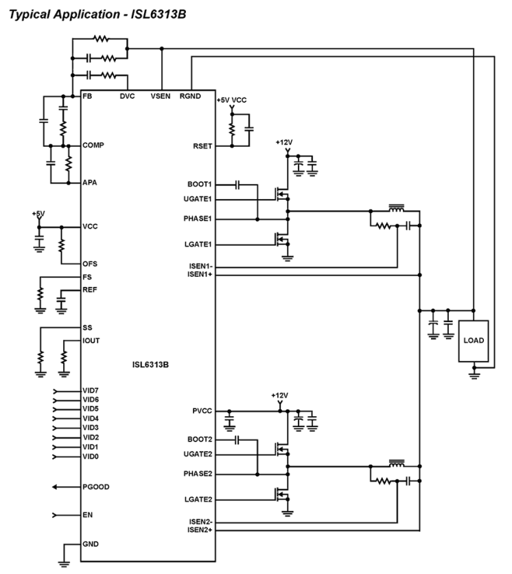
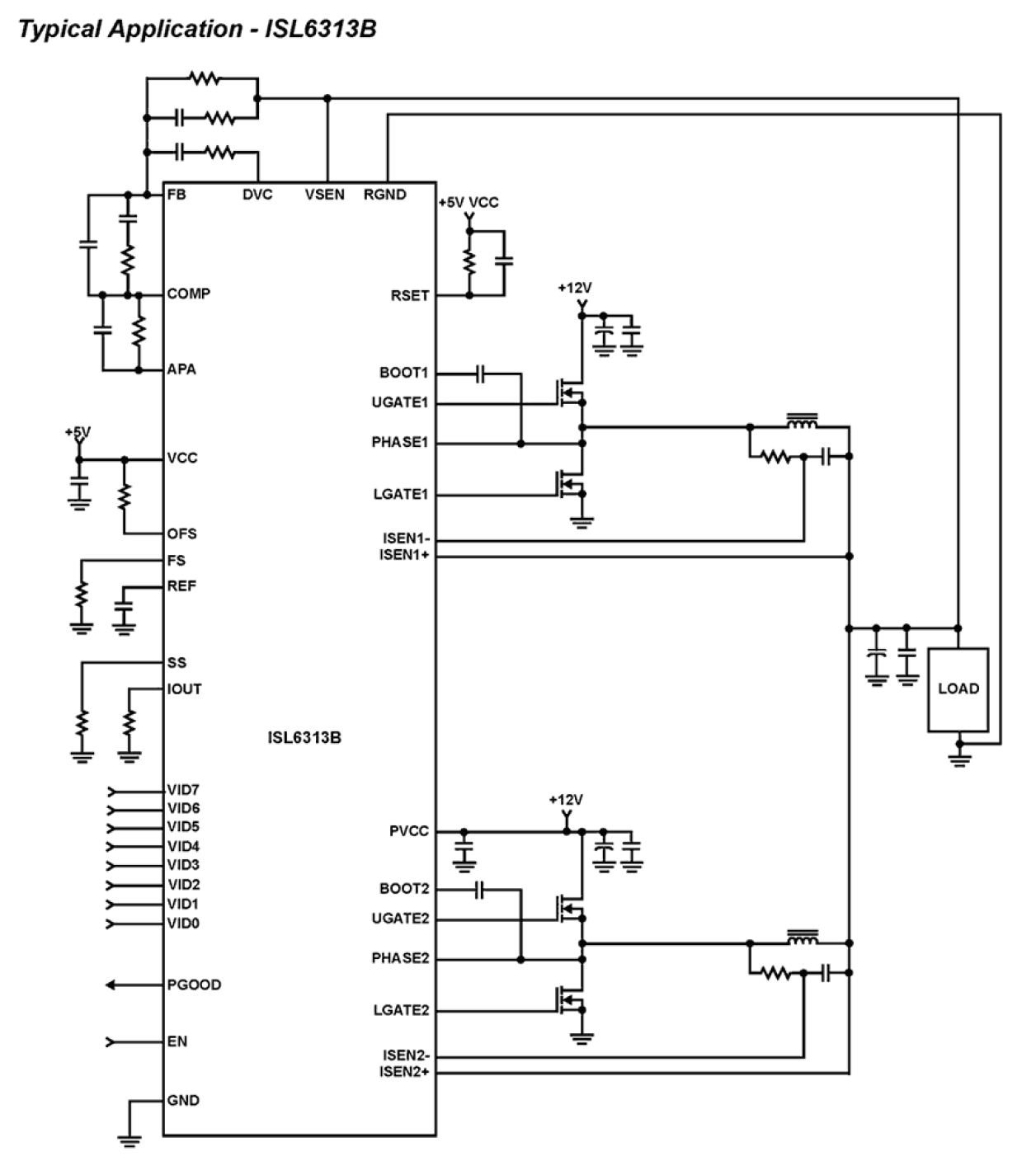
The ISL6313B two-phase PWM control IC provides a precision voltage regulation system for advanced microprocessors. The integration of power MOSFET drivers into the controller IC marks a departure from the separate PWM controller and driver configuration of previous multi-phase product families. By reducing the number of external parts, this integration is optimized for a cost and space saving power management solution. One outstanding feature of this controller IC is its multiprocessor compatibility, allowing it to work with both Intel and AMD microprocessors. Included are programmable VID codes for Intel VR11 as well as AMD 5-bit and 6-bit DAC tables. A circuit is provided for remote voltage sensing, compensating for any potential difference between remote and local grounds. The output voltage can also be positively or negatively offset through the use of a single external resistor. The ISL6313B also includes advanced control loop features for optimal transient response to load apply and removal. One of these features is highly accurate, fully differential, continuous DCR current sensing for load line programming and channel current balance. Active Pulse Positioning (APP) Modulation and Adaptive Phase Alignment (APA) are two other unique features, allowing for quicker initial response to high di/dt load transients. With this quicker initial response to load transients, the number of output bulk capacitors can be reduced, helping to reduce cost. Integrated into the ISL6313B are user programmable current sense resistors, which require only a single external resistor to set their values. No external current sense resistors are required. Another unique feature of the ISL6313B is the addition of a dynamic VID compensation pin that allows optimizing compensation to be added for well controlled dynamic VID response. Protection features of this controller IC include a set of sophisticated overvoltage, undervoltage, and overcurrent protection. Furthermore, the ISL6313B includes protection against an open circuit on the remote sensing inputs. Combined, these features provide advanced protection for the microprocessor and power system.

Applied Filters: