Skip to main content

Features

  • Precision Multiphase Core Voltage Regulation
  • 0.5% System Accuracy Over-Temperature
  • Enhanced Load Line Accuracy
  • Microprocessor Voltage Identification Input
  • 7-Bit VID Input, 0.300V to 1.500V in 12.5mV Steps
  • Supports VID Changes On-The-Fly
  • Supports Multiple Current Sensing Methods
  • Lossless Inductor DCR Current Sensing
  • Precision Resistor Current Sensing
  • Supports PSI# and DPRSLPVR modes
  • Superior Noise Immunity and Transient Response
  • Current Monitor and Thermal Monitor
  • Differential Remote Voltage Sensing
  • High Efficiency Across Entire Load Range
  • Programmable 1-, 2- or 3-Phase Operation
  • Two Integrated Gate Drivers
  • Excellent Dynamic Current Balance Between Phases
  • FB2 Function in 2-Phase Configuration to Optimize 1-Phase Performance
  • Adaptive Body Diode Conduction Time Reduction
  • User-selectable Overshoot Reduction Function
  • Small Footprint 40 Ld 5mm x 5mm or 48 Ld 6mm x 6mm TQFN Package
  • Pb-Free (RoHS Compliant)

Description

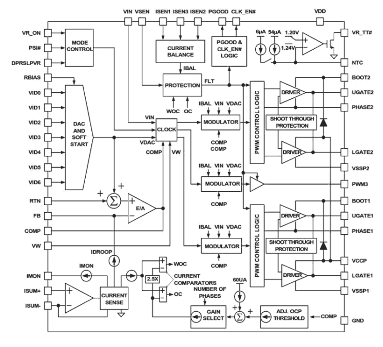
The ISL62883 is a multiphase PWM buck regulator for microprocessor core power supply. The multiphase buck converter uses interleaved phase to reduce the total output voltage ripple with each phase carrying a portion of the total load current, providing better system performance, superior thermal management, lower component cost, reduced power dissipation, and smaller implementation area. The ISL62883 uses two integrated gate drivers and an external gate driver to provide a complete solution. The PWM modulator is based on Renesas' Robust Ripple Regulator (R3) technology™. Compared with traditional modulators, the R3™ modulator commands variable switching frequency during load transients, achieving faster transient response. With the same modulator, the switching frequency is reduced at light load, increasing the regulator efficiency. The ISL62883 is fully compliant with IMVP-6.5™ specifications. It responds to PSI# and DPRSLPVR signals by adding or dropping PWM3 and Phase-2 respectively, adjusting overcurrent protection threshold accordingly, and entering/exiting diode emulation mode. It reports the regulator output current through the IMON pin. It senses the current by using either a discrete resistor or inductor DCR whose variation over temperature can be thermally compensated by a single NTC thermistor. It uses differential remote voltage sensing to accurately regulate the processor die voltage. The adaptive body diode conduction time reduction function minimizes the body diode conduction loss in diode emulation mode. User-selectable overshoot reduction function offers an option to aggressively reduce the output capacitors as well as the option to disable it for users concerned about increased system thermal stress. In 2-Phase configuration, the ISL62883 offers the FB2 function to optimize 1-Phase performance. The ISL62883B has the same functions as the ISL62883, but comes in a different package.

Applications

  • Notebook Computers

Applied Filters: