Skip to main content
Renesas Electronics Corporation

Features

  • High performance R3 technology
  • Fast transient response
  • ±1% regulation accuracy: -10°C to +100°C
  • Wide input voltage range: +7.0V to +25.0V
  • Output voltage range: +0.6V to +3.3V
  • Wide output load range: 0A to 25A
  • Diode emulation mode for increased light load efficiency
  • Programmable PWM frequency: 200kHz to 600kHz
  • Pre-biased output start-up capability
  • Integrated MOSFET drivers and bootstrap diode
  • Internal digital soft-start
  • Power good monitor
  • Fault protection
  • Undervoltage protection
  • Soft crowbar overvoltage protection
  • Low-side MOSFET r DS(on) overcurrent protection
  • Over-temperature protection
  • Fault identification by PGOOD pull-down resistance
  • Pb-free plus anneal available (RoHS compliant)

Description

Support is limited to customers who have already adopted these products.

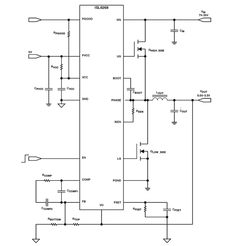
The ISL6268 IC is a Single-Phase Synchronous-Buck PWM controller featuring Intersil's Robust Ripple Regulator (R3) technology that delivers truly superior dynamic response to input voltage and output load transients. Integrated MOSFET drivers and bootstrap diode result in fewer components and smaller implementation area. Intersil's R3 technology combines the best features of fixed-frequency PWM and hysteretic PWM while eliminating many of their shortcomings. R3 technology employs an innovative modulator that synthesizes an AC ripple voltage signal VR, analogous to the output inductor ripple current. The AC signal VR enters a window comparator where the lower threshold is the error amplifier output VCOMP, and the upper threshold is a programmable voltage reference VW, resulting in generation of the PWM signal. The voltage reference VW sets the steady-state PWM frequency. Both edges of the PWM can be modulated in response to input voltage transients and output load transients, much faster than conventional fixed-frequency PWM controllers. Unlike a conventional hysteretic converter, the ISL6268 has an error amplifier that provides ±1% voltage regulation at the FB pin. The ISL6268 has a 1. 5ms digital soft-start and can be started into a pre-biased output voltage. A resistor divider is used to program the output voltage setpoint. The ISL6268 normally operates in continuous-conduction-mode (CCM), automatically entering diode-emulation-mode (DEM) at low load for optimum efficiency. In CCM the converter operates as a synchronous rectifier. In DEM the low-side MOSFET stays off, blocking negative current flow from the output inductor.

Applications

  • PCI express graphical processing unit
  • Auxiliary power rail
  • VRM
  • Network adapter

Applied Filters: