Features
- >24GHz bandwidth for covering 33Gbaud limiting mode operation
- 0.8W (max.) power consumption for 2.7Vppd typ. output voltage swing
- AC-coupled 100Ω differential input
- Open-collector configuration output stage that can drive DC-coupled 100Ω differential impedance
- Digital control and analog monitoring
- Temperature sensor and peak detector
- 1.8V logic SPI digital interface integration
- Covering industrial temperature operation
- Die with Solder bumps for flip-chip assembly
Description
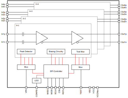
The RG8G72475 is a 32Gbaud low-power quad-channel limiting driver amplifier that is designed for 100Gbps DP-QPSK coherent pluggable module applications.
The RG8G72475 integrates the quad lanes of the driver with SPI circuitry for DC controls on a single die. Each channel of the driver has a 100Ω differential AC-coupled input and 100Ω differential interface with an open-collector type output stage. The driver is designed with industrial temperature definition and provides the limiting output voltage of 2.7Vppd, which is suitable for driving InP-based and silicon photonics-based modulators.
The RG8G72475 is delivered as a die formed with solder bumps for the flip-chip assembly.
Parameters
| Attributes | Value |
|---|---|
| Function | Limiting Driver |
| Data Rate Max (Gbps) | 32 |
| Channels (#) | 4 |
| Output Type | Differential |
| Output Voltage (V) | 2.7 |
Package Options
| Pkg. Type |
|---|
| WAFER |
Applications
- 100Gbps DP-QPSK coherent pluggable module applications
Applied Filters:
Loading