Skip to main content
Renesas Electronics Corporation

Features

  • Sampling Rate 60 MSPS
  • 8.3 Bits at fIN = 10MHz
  • Low Power at 60 MSPS 260mW
  • Wide Full Power Input Bandwidth 250MHz
  • On Chip Sample and Hold
  • Fully Differential or Single-Ended Analog Input
  • Single Supply Voltage +5V
  • TTL/CMOS Compatible Digital Inputs
  • CMOS Compatible Digital Outputs 3.0/5.0V
  • Offset Binary or Two's Complement Output Format

Description

Support is limited to customers who have already adopted these products.

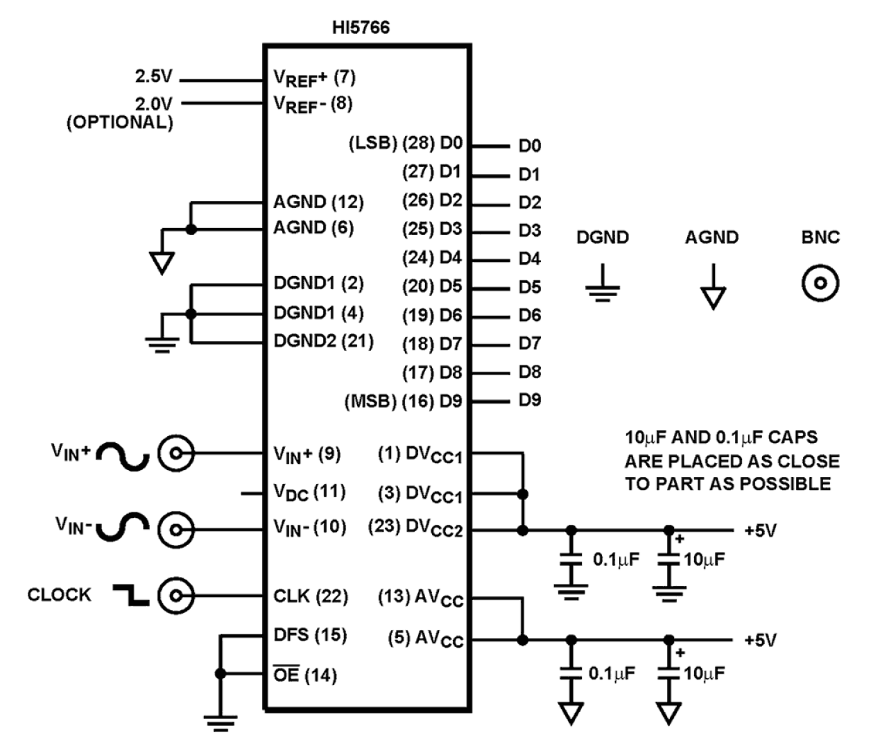
The HI5766 is a monolithic, 10-bit, analog-to-digital converter fabricated in a CMOS process. It is designed for high speed applications where wide bandwidth and low power consumption are essential. Its 60 MSPS speed is made possible by a fully differential pipelined architecture with an internal sample and hold. The HI5766 has excellent dynamic performance while consuming only 260mW power at 60 MSPS. Data output latches are provided which present valid data to the output bus with a latency of 7 clock cycles. It is pin-for-pin functionally compatible with the HI5702, HI5703 and the HI5746. For internal voltage reference, please refer to the HI5767 data sheet.

Applications

  • Professional Video Digitizing
  • Medical Imaging
  • Digital Communication Systems
  • High Speed Data Acquisition

Applied Filters: